充电器芯片阿里巴巴店铺 开关电源芯片关注91免费福利网站 91免费视频成人收藏91免费福利网站 欢迎进入电源芯片/驱动芯片、MOS、IGBT、二三极管、桥堆等电子元器件代理商--91免费福利网站电子官网
高级搜索

搜索一

搜索二

充电管理IC方案

推荐产品

联系91免费福利网站

开关电源芯片
深圳市91免费福利网站电子科技有限公司

电话:0755-23087599

手机:13808858392

邮箱:dunianhua@leweitech.com

地址:深圳市宝安区西乡鹤洲恒丰工业城B11栋5楼东

prevnext

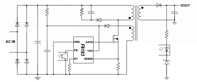
F6183_AC/DC旅充IC方案 F6183

所属分类:优势产品
品牌:LH璐海
型号:F6183
封装:SOP8
功率:12W
电流:2.4A
订购热线:0755-23087599
F6183产品描述:
F6183 PWM开关频率是外部可编程可以减少电源的传导EMI发射。同步的斜坡补偿的IC。控制器驱动低门开关设备内置MOSFET因此需要一个非常小的操作能力。由于F6183电流模式控制大大简化了设计可靠、廉价的离线转换器与极低的由脉冲声生成和固有的脉冲控制。软启动功能当前设置点低于给定值例如输出电力需求减少;IC自动进入突发模态在轻负载提供了出色的效率。低成本,高性能方案。

F6183产品特点:
优秀的线和负载调节
极低的没有−负荷备用电源
恒流模式控制
循环通过辅助循环电流限制
恒功率限制
减少和突发模态频率
建立在同步斜坡补偿
内部前沿消隐
内部输出短−电路保护
在频率抖动
无音频噪声操作
VDD OVP &夹& UVLO
所有销浮动保护
内部温度关机

典型应用图




产品中心 关于91免费福利网站 联系91免费福利网站
网站地图