充电器芯片阿里巴巴店铺 开关电源芯片关注91免费福利网站 91免费视频成人收藏91免费福利网站 欢迎进入电源芯片/驱动芯片、MOS、IGBT、二三极管、桥堆等电子元器件代理商--91免费福利网站电子官网
高级搜索

搜索一

搜索二

充电管理IC方案

推荐产品

联系91免费福利网站

开关电源芯片
深圳市91免费福利网站电子科技有限公司

电话:0755-23087599

手机:13808858392

邮箱:dunianhua@leweitech.com

地址:深圳市宝安区西乡鹤洲恒丰工业城B11栋5楼东

prevnext

AIP1620 led数码管驱动芯片

所属分类:优势产品
品牌:无锡中微
型号:AIP1620
封装:SOP-20
功率:8 段×6 位~10 段×4 位
电流:
订购热线:0755-23087599
  AIP1620 led数码管驱动芯片是LED(发光91免费下载入口显示器)驱动控制专用电路,内部集成有 MCU 数字接口、数据锁存器、LED 高压驱动等电路。AIP1620性能优良,质量可靠。主要应用于VCR、VCD、DVD 及家庭影院等产品的显示屏驱动。
  
  aip1620功能特点  
  ■ 采用功率 CMOS 工艺  
  ■ 显示模式(8 段×6 位~10 段×4 位)  
  ■ 辉度调节电路(占空比 8 级可调)  
  ■ 串行接口(CLK,STB,DIO)  
  ■ 振荡方式:内置 RC 振荡(450KHz±5%)  
  ■ 内置上电复位电路  
  ■ 封装形式:SOP-20
  
  管脚排列及说明

符号 管脚名称 说明
DIO 数据输入/输出 在时钟上升沿输入串行数据,从低位开始。输出为N-ch open drain,且内部集成上拉电阻 20K 左右。
STB 片选 在上升或下降沿初始化串行接口,随后等待接收指令。STB为低后的第一个字节作为指令,当处理指令时,当前其它处理被终止。当 STB 为高时,CLK 被忽略。
CLK 时钟输入 在上升沿读取串行数据,下降沿输出数据。
SEG1~SEG8 输出(段) 段输出(也用作键扫描),P 管开漏输出。
GRID1~GRID4 输出(位) 位输出,N 管开漏输出。
GRID5~GRID6 输出(位) 位复用输出
VDD 逻辑电源 电压电源5V±10%
GND 逻辑地 接系统地
  
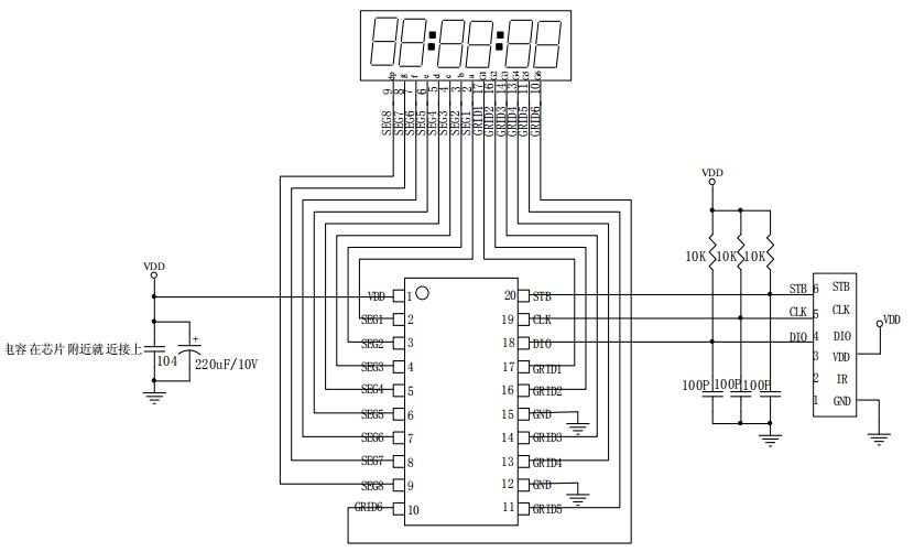
  典型应用线路图
  
  AIP1620是3线串口共阴极8段6位或10段4位LED驱动控制专用电路,在应用中可兼容替换TM1620 led数码管驱动芯片,更多aip1620 数据手册、电气特性、开关特性、时序特性等相关资料请向91免费福利网站电子申请。>>
产品中心 关于91免费福利网站 联系91免费福利网站
网站地图