充电器芯片阿里巴巴店铺 开关电源芯片关注91免费福利网站 91免费视频成人收藏91免费福利网站 欢迎进入电源芯片/驱动芯片、MOS、IGBT、二三极管、桥堆等电子元器件代理商--91免费福利网站电子官网
高级搜索

搜索一

搜索二

充电管理IC方案

推荐产品

联系91免费福利网站

开关电源芯片
深圳市91免费福利网站电子科技有限公司

电话:0755-23087599

手机:13808858392

邮箱:dunianhua@leweitech.com

地址:深圳市宝安区西乡鹤洲恒丰工业城B11栋5楼东

prevnext

hc5703c无线充芯片

所属分类:无线充芯片
品牌:惠尔无线
型号:hc5703c
封装:TSSOP20
功率:支持7.5W 兼容10W
电流:控制输出功率最高可达15W
订购热线:0755-23087599
  hc5703C无线充芯片概述  
  HC5703C 是一款无线充电专用IC。控制输出功率最高可达15W。拥有完善的保护电路,先进的算法、超高的效率和良好的兼容性,适用于稳定性要求较高的产品。
  
  hc5703C无线充芯片特点  
  ■ 支持WPC Qi 1.2.4 及以下版本无线充协议
  ■ 支持7.5W 兼容10W  
  ■ 最高可达83% 的充电效率  
  ■ 良好的兼容性,可支持Ti、IDT、PANASONIC 等Qi 标准的接收器  
  ■ 电源动态控制(DPL),兼容5V2A、QC2.0、QC3.0、DC5V 等适配器  
  ■ 温度动态控制(TPL),控制设备较低温度运行  
  ■ 允许使用X7R 类型、CBB 电容器以减少成本  
  ■ 2个发光91免费下载入口,可选择多种模式指示  
  ■ 过流、过压、过温、异物检测保护。
  
  hc5703C无线充芯片TSSOP20引脚配置及描述
 
  
  hc5703C无线充芯片极限参数
  
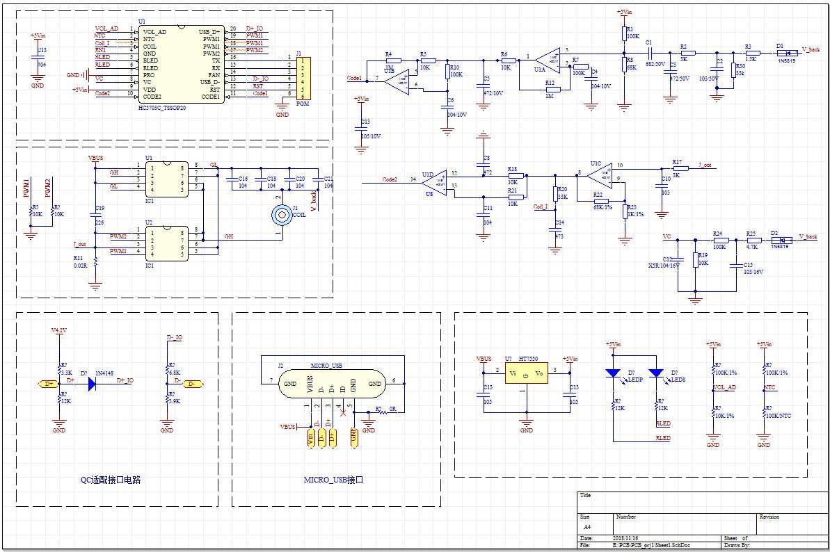
  hc5703C无线充芯片参考电路图
 
  
  更多hc5703C无线充芯片产品的详细手册或其他资料,请向91免费福利网站申请。>>
产品中心 关于91免费福利网站 联系91免费福利网站
网站地图