充电器芯片阿里巴巴店铺 开关电源芯片关注91免费福利网站 91免费视频成人收藏91免费福利网站 欢迎进入电源芯片/驱动芯片、MOS、IGBT、二三极管、桥堆等电子元器件代理商--91免费福利网站电子官网
高级搜索

搜索一

搜索二

充电管理IC方案

推荐产品

联系91免费福利网站

开关电源芯片
深圳市91免费福利网站电子科技有限公司

电话:0755-23087599

手机:13808858392

邮箱:dunianhua@leweitech.com

地址:深圳市宝安区西乡鹤洲恒丰工业城B11栋5楼东

prevnext

XPD911 100W 多口充协议芯片

所属分类:FM/富满系列
品牌:FM/富满
型号:XPD911系列
封装:QFN32 5*5
功率:65W
电流:5V9V12V15V20V
订购热线:0755-23087599
  XPD911是一款同步降压多口互联控制器,采用 QFN32(5*5)封装集成 USB Type-C、USB Power Delivery(PD) 3.1 以及 PPS、QC3.0+/3.0 /2.0 快充协议、华为 FCP/SCP/HVSCP 快充协议、三星 AFC 快充协议、VOOC快充协议、MTK PE 快充协议、BC1.2 DCP 以及苹果设备 2.4A 充电规范的多功能 USB 三端口控制器,为 AC-DC 适配器、智能排插等设备提供完整的 Type-C 和 Type-A 双端口充电解决方案。  
  XPD911 多口充协议芯片集成了 XPD-linkTM 互联通信专利技术。通过 XPD-linkTM 互联功能,XPD911 可以简单灵活地应用在多个 Type-C 和 Type-A 端口的充电方案中。  
  XPD911 集成同步开关降压控制器,内置功率 MOS。输出电压范围是 3.3V 到 21V,能提供最大 65W 的输出功率,能够根据识别到的快充协议自动调整输出电压和电流。  
  XPD911 多口充协议芯片的输出具有 CV/CC 特性,当输出电流小于设定值,输出 CV 模式,输出电压恒定;当输出电流大于设定值,输出 CC 模式,输出电压降低。XPD911 具有线补功能,随着输出电流的增大会相应提高输出电压,用以补偿充电线缆内阻引起的电压下降。  
  XPD911 是前端电源光耦精确调压,支持 1C1A,当 Type-C 和 Type-A 其中一个端口接入设备时,Type-C 或 Type-A 端口都可以实现独立的快充功能。当 Type-C 和 Type-A都接入设备时,XPD911 的 Type-A 和 TYPE-C 会将输出电压降至 5V 给设备供电。特别的,当 Type-A 或者 Typec 口一直连接苹果充电线但未接入苹果手机时,其他口仍然有快充功能。作为充电器应用时,充电线会经常与充电器连接在一起。XPD911 完美解决了 Type-A 和 Type-C 口连接充电线应用时的快充难题。    
  XPD911NA/XPD911NC/XPD911AA 都是后端 DCDC 精确调压,XPD911NA 支持1C1A,XPD911NC 支持 2C,XPD911AA 支持 2A,且都能实现互联功能,为多口应用提供比较简洁的应用方案;当任意一个端口接入设备时,都可以实现独立的快充功能;当两个口都接入设备时,输出电压降至 5V 给设备供电。特别的,当 Type-A 或者 Type- C 口一直连接苹果充电线但未接入苹果手机时,其他口仍然有快充功能。作为充电器应用时,充电线会经常与充电器连接在一起,XPD911NA/XPD911NC/XPD911AA 完美解决了输出口连接充电线应用时的快充难题。  
  XPD911多口充协议芯片具备非常高的可靠性。具有多种保护功能:输入过压、欠压保护,输出过流、过压、欠压、短路打嗝保护等,支持二次烧录,可实现在线升级。
  
  XPD911 多口充协议芯片特性  
  ■ 支持 USB Type-A 和 Type-C 多口工作模式  
  - 独立工作时都有快充  
  - 多口工作时,都输出 5V  
  - A 口或 C 口连接苹果充电线但未接入苹果手机时,其他口仍然有快充  
  ■ 集成同步开关降压转换器  
  - 单口工作在直通模式  
  - 双口工作在 DCDC 模式  
  - link 互联有效时工作在 DCDC 模式  
  ■ 支持 USB Type-C 协议  
  ■ 定制型号支持两种工作模式  
  - 输入电压动态调整模式(XPD911)  
  - 输入电压固定模式(XPD911NA/XPD911NC/XPD911AA) 
  ■ 支持 USB Power Delivery(PD)3.1 以及PPS 协议  
  - 通过 PD3.1 认证(TID:)  
  - PDO 可配置:5V,9V,12V,15V, 20V  
  - 输出功率高至 65W  
  - APDO 可配置:5V Prog,9V Prog,15V Prog,20V Prog  
  ■ 支持 Quick Charge 3.0+/3.0/2.0 协议  
  - 支持小米 CHARGE TURBO 27W 协议  
  ■ 支持华为 FCP/SCP/HVSCP 协议  
  ■ 支持三星 AFC 协议  
  ■ 支持 VOOC 协议  
  ■ 支持 MTK PE 协议  
  ■ 支持 USB BC1.2 DCP  
  ■ 支持 Apple 2.4A 充电规范  
  ■ 集成 CC、CV 控制环路  
  ■ 支持在线升级功能  
  ■ 支持线损补偿功能  
  ■ 支持任意小电流设备  
  ■ 多重保护、高可靠性  
  - 输入过压、欠压保护  
  - 输出过压、过流保护  
  - 短路保护  
  - 过温保护  
  - NTC  
  - 全引脚 ESD 4KV  
  ■ QFN32 5*5 封装
  
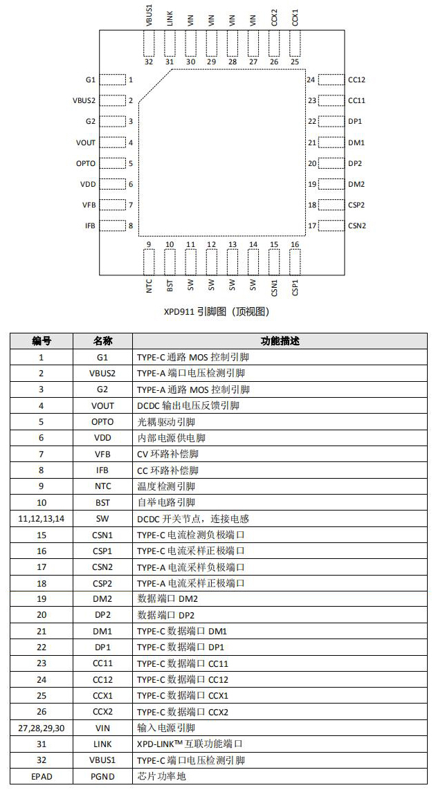
  XPD911芯片引脚定义
  
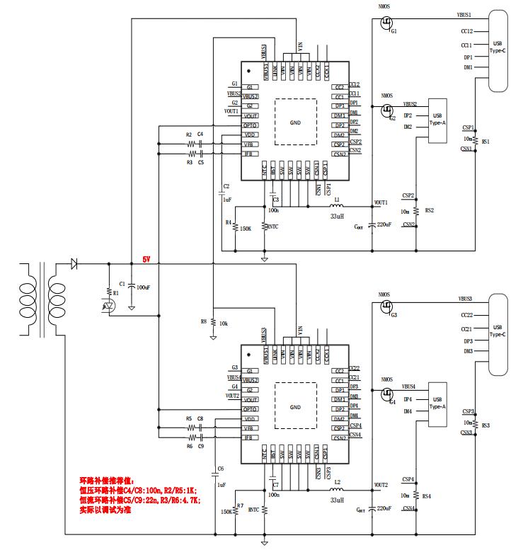
  应用电路图  
  注:输入电压动态调整模式 XPD911(通过光耦调节 ACDC 输出)
  
 XPD911 互联应用简图

  应用领域  
  ■ ACDC 适配器  
  ■ 车充应用  
  ■ 智能排插  
  ■ USB 多口充电设备
  
  XPD911芯片系列订购信息
料号 PDO 配置和 APDO 配置 QC 配置 封装
输入电压动态调整型号
 
 
 
XPD911DP6545T
C 口高功率
PDO:5V/3A,9V/3A,12V/3A,15V/3A,20V/3.25A
APDO1:3.3-11V/3A;APDO2:3.3-21V/3A
C 口低功率
PDO:5V/3A,9V/3A,12V/3A,15V/3A,20V/2.25A
APDO1:3.3-11V/3A;APDO2:3.3-21V/2.25A
 
 
 
Class B
 
 
 
 
 
 
 
 
 
QFN32
 
 
 
 
XPD911DP6520T
C 口高功率
PDO:5V/3A,9V/3A,12V/3A,15V/3A,20V/3.25A
APDO1:3.3-11V/3A;APDO2:3.3-21V/3A
C 口低功率
PDO:5V/3A,9V/2.22A,12V/1.67A
APDO1:3.3-11V/2A
 
 
 
Class B
 
 
 
XPD911DP6530T
C 口高功率
PDO:5V/3A, 9V/3A,12V/3A,15V/3A,20V/2.25A
APDO1:3.3-11V/3A;APDO2:3.3-16V/2.8A
C 口低功率
PDO: 5V/3A,9V/3A,12V/2.5A,15V/2A,20V/1.5A
APDO1:3.3-11V/3A;APDO2:3.3-16V/2A
 
 
 
Class B
输入电压固定型号
 
 
 
XPD911NADP6545T
C 口高功率
PDO:5V/3A, 9V/3A,12V/3A,15V/3A,20V/3.25A
APDO1:3.3-11V/3A;APDO2:3.3-21V/3A
C 口低功率
PDO:5V/3A,9V/2.22A,12V/1.67A
APDO1:3.3-11V/2A
 
 
 
Class B
 
 
 
 
 
 
 
 
 
QFN32
 
 
 
 
XPD911NADP6520T
C 口高功率
PDO:5V/3A, 9V/3A,12V/3A,15V/3A,20V/3.25A
APDO1:3.3-11V/3A;APDO2:3.3-21V/3A
C 口低功率
PDO:5V/3A,9V/3A,12V/3A,15V/3A,20V/2.25A
APDO1:3.3-11V/3A;APDO2:3.3-21V/2.25A
 
 
 
Class B
 
 
 
XPD911NCDP6545T
单 C1/C2 高功率
PDO:5V/3A, 9V/3A,12V/3A,15V/3A,20V/3.25A
APDO1:3.3-11V/3A;APDO2:3.3-21V/3A
C1/C2 低功率
PDO:5V/3A,9V/3A,12V/3A,15V/3A,20V/2.25A
APDO1:3.3-11V/3A;APDO2:3.3-21V/2.25A
 
 
 
Class B
所有型号都能自定义
  
  XPD911多口充协议芯片系列用于100W和100W以内多口互联市场,输入电压有动态调整模式、固定模式 (XPD911NC/XPD911NA/XPD911AA)等类型,XPD911NA 典型应用于互联 2C2A,XPD911NC 与 XPD911NA应用于互联 3C1A、内置多种快充协议,支持多口应用智能降低输出功率,内置完善的保护功能,适用于车充和快充以及插排应用等领域,更多XPD911芯片系列规格书及相关应用资料请向91免费福利网站申请。>>
产品中心 关于91免费福利网站 联系91免费福利网站
网站地图