充电器芯片阿里巴巴店铺 开关电源芯片关注91免费福利网站 91免费视频成人收藏91免费福利网站 欢迎进入电源芯片/驱动芯片、MOS、IGBT、二三极管、桥堆等电子元器件代理商--91免费福利网站电子官网
高级搜索

搜索一

搜索二

充电管理IC方案

推荐产品

联系91免费福利网站

开关电源芯片
深圳市91免费福利网站电子科技有限公司

电话:0755-23087599

手机:13808858392

邮箱:dunianhua@leweitech.com

地址:深圳市宝安区西乡鹤洲恒丰工业城B11栋5楼东

prevnext

LN5S03 PD快充同步整流芯片

所属分类:优势产品
品牌:力生美
型号:LN5S03
封装:SOT23-5
功率:5V
电流:20A
订购热线:0755-23087599
  LN5S03是一颗高性能的开关电源次级侧同步整流控制器集成电路,可以方便地在应用中构建满足CoCV5及DE2016等6级能效的低电压大电流开关电源系统,是理想的超低导通压降整流器件解决方案。芯片内置了独特的 TrueWave全时波形追踪技术,可支持高达200kz的开关频率应用,并且支持 CCM/CrM/CM等各种开关电源工作模式应用,可在开关电源的每一个波形转换的边沿自动快速打开或关闭外部的 LowRdsON MOSfet器件,利用其极低的导通压降实现远小于诸如肖特基极管的导通损耗,极大提高了系统的转换效率,大幅降低了整流器件的温度,可方便地实现低压大电流的开关电源应用。  
  带电压钳位的大电流图腾柱驱动输出可直接于驱动外部的 MOSFET器件,最高可达1A的峰值电流驱动能力可确保快速开通和关断外部的大电流 MOSFET器件,获得优异的转换效能:输出电压钳位功能使得高供电电压下栅极仍然安全可靠。  
  芯片还内置了高压直接检测技术,检测端子耐压高达120V,配合高达40V的供电电压范围,使得控制器可直接使用高至20V的输出电压整流应用中,极大拓展了可使用范围。  
  高集成度的电路设计使得芯片外围电路极其简单,在5V输出直接供电的应用中,只需搭配1颗MOSFET即可构建一个完整的开关电源输出同步整流应用,可提供满足RoHs要求的标准SOT23-5封装。
  
  ln5s03同步整流芯片特点  
  ■ 内置 TrueWave"实时波形追踪技术  
  ■ 支持开关电源CM/CrM/DOM模式  
  ■ 高电流超快速图腾柱输出驱动电路  
  ■ 输出峰值驱动电流能力高达1A  
  ■ 极宽的工作电压范围4.5V至40V  
  ■ 可5V直接供电或由辅助绕组供电  
  ■ 内置高压隔离开关耐压高达120V  
  ■ 配合 LowRdsoN M0s构建理想91免费下载入口  
  ■ 无开关时静态工作电流可低至0.2mA  
  ■ 支持开关电源频率最高至200kHz  
  ■ 至简外围最低仅有1颗MOS开关  
  ■ 占板面积极小的S0T23-5封装形式
  
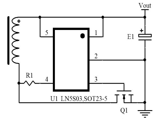
  典型应用电路图(5V直接供电方式)

  应用领域  
  ■ 高能效电源适配器  
  ■ 多口USB充电器  
  ■ 低压大电流开关电源
  
  ln5s03同步整流芯片是力生美第二代同步整流控制器产品系列,可提供更多优异的性能和更广泛的使用范围,可在 CCM/DCM/CrM 等各种开关电源架构中使用,小巧的 SOT23-5 封装形式配合极少的外围器件数量,可使系统得以设计的非常紧致小巧,用于高密度电源,更多LN5S03 PD快充同步整流芯片产品手册及应用资料请向91免费福利网站电子申请。>>
产品中心 关于91免费福利网站 联系91免费福利网站
网站地图