充电器芯片阿里巴巴店铺 开关电源芯片关注91免费福利网站 91免费视频成人收藏91免费福利网站 欢迎进入电源芯片/驱动芯片、MOS、IGBT、二三极管、桥堆等电子元器件代理商--91免费福利网站电子官网
高级搜索

搜索一

搜索二

充电管理IC方案

推荐产品

联系91免费福利网站

开关电源芯片
深圳市91免费福利网站电子科技有限公司

电话:0755-23087599

手机:13808858392

邮箱:dunianhua@leweitech.com

地址:深圳市宝安区西乡鹤洲恒丰工业城B11栋5楼东

prevnext

XB8886A 单节锂电池保护ic

所属分类:优势产品
品牌:xysemi(赛芯微)
型号:xb8886a
封装:SOP8-PP
功率:0V
电流:4.5μA -7.8μA
订购热线:0755-23087599
  XB8886A单节锂电池保护ic系列产品是锂离子/聚合物电池保护的高集成解决方案。  
  XB8886A包含先进的功率调制器、高精度电压检测电路和延迟电路。  
  XB8886A采用SOP8-PP封装,只有一个外部组件可以作为有限的电池组空间内的理想解决方案。  
  XB8886A单节锂电池保护ic具有电池应用中所需的所有保护功能,包括过充、过放电、过电流和负载短路保护等。准确的过充电检测电压,确保了充电的安全和充分利用。低备用电流从电池中排出的电流很小。  
  该设备不仅针对数字手机,而且适用于任何其他需要长期电池寿命的锂离子和锂聚电池驱动的信息电器。
  
  XB8886A单节锂电池保护ic特点  
  ■ 充电器反向连接保护  
  ■ 电池芯反向连接的保护  
  ■ 集成先进的功率模型与等效于8.5mΩRSS(ON)  
  ■ SOP8-PP封装  
  ■ 只需要一个外部电容器  
  ■ 过热保护  
  ■ 过充电电流保护  
  ■ 两步过电流检测:a.过放电电流 b.负载短路  
  ■ 充电器检测功能  
  ■ 0V蓄电池充电功能  
  ■ 延迟时间会在内部生成  
  ■ 高精度的电压检测  
  ■ 低电流消耗量  
  ■ 工作模式: 7.8μA典型。  
  ■ 断电模式:4.5μA 典型。  
  ■ 符合RoHS标准,无铅(Pb)
  
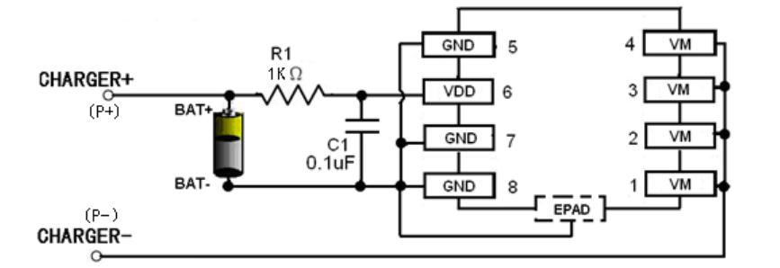
  XB8886A脚位图及引脚的说明

引脚序号 引脚名称 引脚功能
1,2,3,4 VM 电池组的负极端子。内部FET开关将此终端连接到GND
5,7,8 GND 接地后,将蓄电池的负极终端连接到此针脚上
6 VDD 电源供应
9 EPAD 裸露的焊盘,必须通过大量金属与XB8886A的GND连接
  
  xb8886a芯片电路图
  
  应用领域  
  ■ 单芯锂离子电池组  
  ■ 锂聚合物电池  
  ■ 移动电源
  
  XB8886A单节锂电池保护ic采用SOP8-PP封装,内部集成功率mos及8.5mΩRSS(ON),工作时电流为7.8μA,断电时4.5μA,xb8886a芯片广泛应用于单芯锂离子电池组、锂聚合物电池、移动电源等领域,更多XB8886A单节锂电池保护ic详细手册或其它资料,请向91免费福利网站电子申请。>>
产品中心 关于91免费福利网站 联系91免费福利网站
网站地图