充电器芯片阿里巴巴店铺 开关电源芯片关注91免费福利网站 91免费视频成人收藏91免费福利网站 欢迎进入电源芯片/驱动芯片、MOS、IGBT、二三极管、桥堆等电子元器件代理商--91免费福利网站电子官网
高级搜索

搜索一

搜索二

充电管理IC方案

推荐产品

联系91免费福利网站

开关电源芯片
深圳市91免费福利网站电子科技有限公司

电话:0755-23087599

手机:13808858392

邮箱:dunianhua@leweitech.com

地址:深圳市宝安区西乡鹤洲恒丰工业城B11栋5楼东

prevnext

iW3688_LED调光驱动芯片 iW3688

所属分类:优势产品
品牌:iWatt
型号:iW3688
封装:SOIC-14
功率:20W
电流:
订购热线:0755-23087599
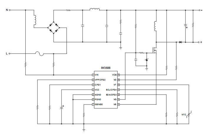
    iW3688产品描述:

    iW3688消除了20个外部元件的成本,其中包括外部放电电路所需的10个组件,使用Dialog的集成数字算法调制主MOSFET开关,在调光期间获得额外的电流。确保输入电流在正向导通期间总是大于TRIAC的维持阀值,从而消除外部放电电路。iW3688还通过简化EMI滤波电路以及内置电流源、开关和VCC充电电路进一步降低物料成本。iW3688的先进电源管理和电压检测功能允许制造商使用低成本的现货电感器,从而进一步节省了成本。
 
    iW3688采用Dialog的过温保护(OTP)降额技术解决过热导致的LED灯泡的使用寿命问题。 OTP监测密封SSL灯泡中的温度,当温度高于安全的工作阀值时,无缝地降低光亮度;当温度降下时,则恢复亮度。这可以降低工作温度,避免超过电解质电容器的额定温度,并确保实现可预测和更加安全的灯泡使用寿命。
 
    IW3688支持Buck-Boost(非隔离方案)或flyback拓扑结构(隔离方案),支持无调光器,前切,后切调光器,无调光器时高功率因数(PF>0.9)以及低THD<20%,大多数调光器可支持1%到100%的宽调光范围。无需专门的bleeder或启动电路,也无需辅助绕组,很简化的外围电路,只需要一个高压功率MOSFET,可使用非常廉价的单绕组电感。
 
    iW3688单级LED驱动器专为20W内的应用而设计,其中包括A灯、BR、蜡烛灯、GU10和PAR灯、T8 LED灯管以及外置照明驱动器。它采用Dialog的智能数字调光控制专利技术,提供卓越的性能,并兼容最具挑战性的TRIAC和数字调光器。不仅如此,Dialog领先的专利数字算法实现了集成的有源偏置功能,与传统的外部泄放电路相比,提高了调光性能,并降低了成本。SOIC-14封装。

   iW3688产品特点:
  单级,支持最大20W的输出功率
   数字算法提供卓越的调光器兼容性– 兼容TRIAC和数字调光器
   最高的切相调光性能
   可抵御噪声和不稳定 – 无闪烁
   自动检测调光器类型
   宽广的调光范围:1% - 100%
   可配置的调光参数
   最小的尺寸/最低的物料成本
   内置电流源、开关和VCC充电电路
   允许使用低成本的现货电感器
   没有额外的灌胶成本
   较低的总谐波失真< 20%,高PF > 0.95
   内置LED过温保护降额技术

    典型应用



 

产品中心 关于91免费福利网站 联系91免费福利网站
网站地图