充电器芯片阿里巴巴店铺 开关电源芯片关注91免费福利网站 91免费视频成人收藏91免费福利网站 欢迎进入电源芯片/驱动芯片、MOS、IGBT、二三极管、桥堆等电子元器件代理商--91免费福利网站电子官网
高级搜索

搜索一

搜索二

充电管理IC方案

推荐产品

联系91免费福利网站

开关电源芯片
深圳市91免费福利网站电子科技有限公司

电话:0755-23087599

手机:13808858392

邮箱:dunianhua@leweitech.com

地址:深圳市宝安区西乡鹤洲恒丰工业城B11栋5楼东

prevnext

QX2306_电源管理IC QX2306

所属分类:QX泉芯系列
品牌:QX/泉芯
型号:QX2306
封装:SOT23-3 SOT23-5 SOT89-3 TO-92
功率:250mA
电流:250mA
订购热线:0755-23087599
QX2306产品描述:
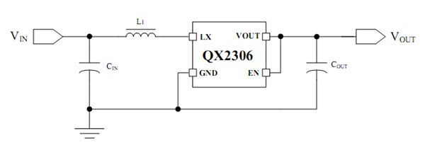
QX2306是一款高效率、低功耗、低纹波、高工作频率的PFM同步升压DC/DC变换器。
QX2306仅需要三个外围元件,就可完成将低输入的电池电压变换升压到所需的工作电压。
QX2306的输出电压,可通过内部调节进行选择(步进 0.1V),方便客户应用于不同的输出负载情况。输出电压具有低纹波,低噪声的特点。 
QX2306内置的同步开关管可极大降低开关管上的损耗,使效率最高可达92%,
QX2306工作于 PFM 模式,可有效降低轻载模式下的损耗,提高设备的使用周期。同时,芯片低的静态电流可进一步降低系统损耗。
 
QX2306产品特点:
最高效率:92% 
最高工作频率:300 KHz 
低静态电流:13uA 
可选输出电压:1.9V~3.3V 
输出精度:±2.5% 
低启动电压:0.65V
低纹波,低噪声

 典型应用图







 
 
产品中心 关于91免费福利网站 联系91免费福利网站
网站地图