充电器芯片阿里巴巴店铺 开关电源芯片关注91免费福利网站 91免费视频成人收藏91免费福利网站 欢迎进入电源芯片/驱动芯片、MOS、IGBT、二三极管、桥堆等电子元器件代理商--91免费福利网站电子官网
高级搜索

搜索一

搜索二

充电管理IC方案

推荐产品

联系91免费福利网站

开关电源芯片
深圳市91免费福利网站电子科技有限公司

电话:0755-23087599

手机:13808858392

邮箱:dunianhua@leweitech.com

地址:深圳市宝安区西乡鹤洲恒丰工业城B11栋5楼东

prevnext

PN8306 同步整流控制ic

所属分类:Chipown/芯朋微
品牌:芯朋微
型号:PN8306
封装:SOP-8
功率: 12W
电流:2.4A
订购热线:0755-23087599
  PN8306产品描述:
  PN8306包括同步整流控制器及N型功率MOSFET,用于在高性能反激系统中替代次级整流肖特基91免费下载入口。PN8306同步整流控制ic内置电压降极低的功率MOSFET以提高电流输出能力,提升转换效率并降低芯片温度。
  PN8306处于开关工作模式,只适用于DCM和QR工作模式的开关电源系统。当芯片检测到V SW <-400mV,控制器驱动功率MOSFET开启;当芯片检测到功率MOSFET流过的电流降低到阈值-10mV时,控制器驱动功率MOSFET关闭。该芯片提供了极为全面的辅助功能,包含输出欠压保护、输出过压钳位等功能。
 
  PN8306产品特点:
  内置13mT86; 40V Trench MOSFET
  适用于DCM和QR工作模式
  高精度次级电流检测电路
  通过RT脚外置电阻可以灵活设置Tonmin
  优异全面的辅助功能
      欠压保护
      过压钳位

       PN8306封装/ 订购信息:
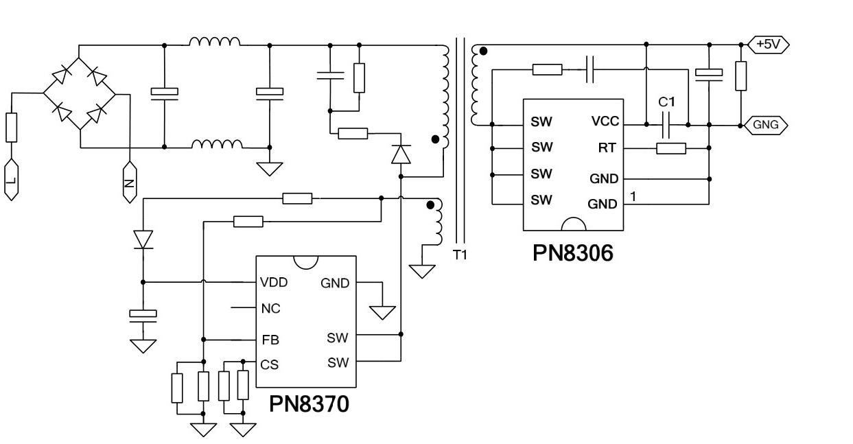
  PN8306典型应用图:
产品中心 关于91免费福利网站 联系91免费福利网站
网站地图