充电器芯片阿里巴巴店铺 开关电源芯片关注91免费福利网站 91免费视频成人收藏91免费福利网站 欢迎进入电源芯片/驱动芯片、MOS、IGBT、二三极管、桥堆等电子元器件代理商--91免费福利网站电子官网
高级搜索

搜索一

搜索二

充电管理IC方案

推荐产品

联系91免费福利网站

开关电源芯片
深圳市91免费福利网站电子科技有限公司

电话:0755-23087599

手机:13808858392

邮箱:dunianhua@leweitech.com

地址:深圳市宝安区西乡鹤洲恒丰工业城B11栋5楼东

prevnext

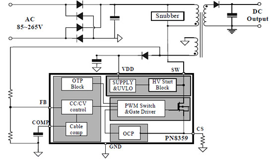
PN8359 原边反馈芯片

所属分类:Chipown/芯朋微
品牌:芯朋微
型号:PN8359
封装:dip-8
功率:15W-20W
电流:85~265 VAC
订购热线:0755-23087599
  PN8359概述:  
  PN8359包括高精度的恒压、恒流原边控制器及功率MOSFET,用于高性能、外围元器件精简的充电器和LED照明。  
  PN8359工作在原边检测和调整模式,可省略光耦和TL431。该芯片提供了极为全面的自恢复保护功能,包含逐周期过流保护、过压保护、开环保护、过温保护、输出短路保护和CS开/短路保护等。  
  PN8359内置高压启动电路和极低的芯片功耗使得能够满足较高的待机功耗标准。在恒流模式,电流和输出功率可通过CS脚的Rs电阻进行调节;在恒压模式,PFM工作模式可获得较高的性能和效率。轻载时,该芯片采用较小的峰值电流工作以减小音频噪声。另外,输出线补偿功能有助于获得较好的负载调整率。
  
  PN8359产品特征:  
  ■ 内置650V功率MOSFET  
  ■ 全电压输入范围±5%的电流/电压调整率  
  ■ 可省光耦和TL431  
  ■ 恒压和恒流可调  
  ■ 输出线补偿功能  
  ■ 内置原边电感量补偿电路  
  ■ 无音频噪声  
  ■ 内置高压启动电路  
  ■ 优异全面的保护功能  
     过温保护 (OTP)  
     VDD欠压锁定 (UVLO)  
     CS开/短路保护  
     开环保护 (OLP)  
     VDD过压保护 (OVP)  
     安全自动恢复模式
  
  PN8359封装/订购信息:
  
  pn8359引脚功能及电压:
 
管脚标号 管脚名 管脚功能描述
1 VDD 工作电压输入引脚
2 COMP 环路补偿引脚
3 FB 反馈引脚,辅助绕组电压通过电阻反馈稳定输出
4 CS 电流检测引脚
5 SW 高压MOSFET引脚,跟变压器初级相连
6
7 GND 地电位
8
  
  PN8359极限工作范围:  
  VDD 脚耐压……...…………………………………………………………………………….….-0.3~25V  
  SW 脚耐压……………………………………………………………………………………….…650V  
  FB,COMP 脚耐压…………………………………………………………………………..……-0.3~5.5V  
  结工作温度范围……………………………………………………………………………………-40~140℃  
  存储温度范围………………………………………………………………………………………-55~150℃  
  管脚焊接温度 (10秒) ………………………………………………………………………………260℃  
  ESD 能力(HBM) ……………………………………………………………………………………..2.0kV  
  最大漏极脉冲电流……………………………………………………………………………………2.0A
  
  PN8359应用电路图:
产品中心 关于91免费福利网站 联系91免费福利网站
网站地图