充电器芯片阿里巴巴店铺 开关电源芯片关注91免费福利网站 91免费视频成人收藏91免费福利网站 欢迎进入电源芯片/驱动芯片、MOS、IGBT、二三极管、桥堆等电子元器件代理商--91免费福利网站电子官网
高级搜索

搜索一

搜索二

充电管理IC方案

推荐产品

联系91免费福利网站

开关电源芯片
深圳市91免费福利网站电子科技有限公司

电话:0755-23087599

手机:13808858392

邮箱:dunianhua@leweitech.com

地址:深圳市宝安区西乡鹤洲恒丰工业城B11栋5楼东

prevnext

PN8370_5v2.4a充电器ic

所属分类:Chipown/芯朋微
品牌:芯朋微
型号:PN8370M/H/F
封装:SOP7
功率:12W
电流:1A、2A、2.4A、
订购热线:0755-23087599
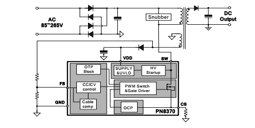
  PN8370集成超低待机功耗准谐振原边控制器及650V高雪崩能力智能功率MOSFET,用于高性能、外围元器件精简的充电器、适配器和内置电源。PN8370为原边反馈工作模式,可省略光耦和TL431。内置高压启动电路,可实现芯片空载损耗(230VAC)小于30mW。在恒压模式,采用准谐振与多模式技术提高效率并消除音频噪声,使得系统满足6级能效标准,可调输出线补偿功能能使系统获得较好的负载调整率;在恒流模式,输出电流和功率可通过CS脚的RCS电阻进行调节。该芯片提供了极为全面的智能保护功能,包含逐周期过流保护、过压保护、开环保护、过温保护、输出短路保护和CS开/短路保护等。
  
  PN8370芯片特点:  
  ■ 内置650V高雪崩能力智能功率MOSFET  
  ■ 内置高压启动电路,小于30mW空载损耗(230VAC)  
  ■ 采用准谐振与多模式技术提高效率,满足6级能效标准  
  ■ 全电压输入范围±5%的CC/CV精度  
  ■ 原边反馈可省光耦和TL431  
  ■ 恒压、恒流、输出线补偿外部可调  
  ■ 无需额外补偿电容  
  ■ 无音频噪声  
  ■ 智能保护功能  
     过温保护 (OTP)  
     VDD欠压&过压保护 (UVLO&OVP)  
     逐周期过流保护 (OCP)  
     CS开/短路保护 (CS O/SP)  
     开环保护 (OLP)
 
  封装/订购信息

  pn8370管脚定义:

 
  PN8370典型功率:
 
  PN8370典型应用图:

  PN8370极限工作范围: 
  VDD 脚耐压……….….-0.3~27V  
  SW 脚耐压………….…650V  
  FBCS 脚耐压……..……-0.3~5.5V  
  结工作温度范围…………-40~150℃  
  存储温度范围………………-55~150℃  
  封装热阻 (SOP-7)……………….. 80°C/W  
  封装热阻 (DIP-8)…………….. 40°C/W  
  管脚焊接温度 (10秒)…………260℃  
  ESD 能力(HBM) ……………….4.0kV  
  最大漏极脉冲电流……………3.0A

  应用领域  
  ■ 开关电源适配器  
  ■ 电池充电器  
  ■ 机顶盒电源

  pn8370芯片系列有PN8370SSC-R1M、PN8370SSC-R1H、PN8370SSC-R1P、PN8370NSC-T1M、PN8370NEC-T1M、PN8370NEC-T1H等多个型号,采用DIP-8、DIP-7、SOP-7封装,满足不同客户需求,典型应用于5V2A、5V2.4A、12V1A充电器/适配器等电源方案,更多PN8370芯片参数、pn8370中文说明书及应用资料请向91免费福利网站申请。>>

产品中心 关于91免费福利网站 联系91免费福利网站
网站地图