充电器芯片阿里巴巴店铺 开关电源芯片关注91免费福利网站 91免费视频成人收藏91免费福利网站 欢迎进入电源芯片/驱动芯片、MOS、IGBT、二三极管、桥堆等电子元器件代理商--91免费福利网站电子官网
高级搜索

搜索一

搜索二

充电管理IC方案

推荐产品

联系91免费福利网站

开关电源芯片
深圳市91免费福利网站电子科技有限公司

电话:0755-23087599

手机:13808858392

邮箱:dunianhua@leweitech.com

地址:深圳市宝安区西乡鹤洲恒丰工业城B11栋5楼东

prevnext

PN8680M 12W原边反馈低功耗电源芯片

所属分类:Chipown/芯朋微
品牌:芯朋微
型号:PN8680MSEC-R1
封装:SOP-8
功率:12W
电流:1A
订购热线:0755-23087599
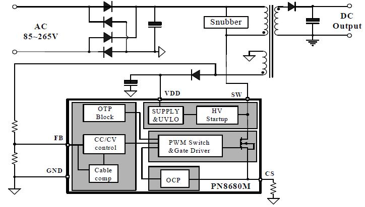
  PN8680M概述:  
  PN8680M原边反馈低功耗电源芯片集成超低待机功耗原边控制器及650V高雪崩能力智能功率MOSFET,用于高性能、外围元器件精简的充电器、适配器和内置电源。PN8680M为原边反馈工作模式,可省略光耦和TL431。PN8680低功耗电源芯片内置高压启动电路,可实现芯片空载损耗(230VAC)小于50mW。在恒压模式,采用多模式技术提高效率并消除音频噪声,使得系统满足6级能效标准,可调输出线补偿功能能使系统获得较好的负载调整率;在恒流模式,输出电流和功率可通过CS脚的电阻进行调节。该芯片提供了极为全面的智能保护功能,包含逐周期过流保护、过压保护、开环保护、过温保护、输出短路保护和CS开/短路保护等。
  
  PN8680M产品特征:  
  ■ 内置650V高雪崩能力智能功率MOSFET  
  ■ 内置高压启动电路,小于50mW空载损耗(230VAC)  
  ■ 采用多模式技术提高效率,满足6级能效标准  
  ■ 全电压输入范围±5%的CC/CV精度  
  ■ 原边反馈可省光耦和TL431  
  ■ 恒压、恒流、输出线补偿外部可调  
  ■ 无需额外补偿电容  
  ■ 无音频噪声  
  ■ 智能保护功能  
     过温保护 (OTP)  
     VDD欠压&过压保护 (UVLO&OVP)  
    逐周期过流保护 (OCP)  
    CS开/短路保护 (CS O/SP)  
       开环保护 (OLP)
  
  PN8680M封装/订购信息:
 
 
  注:PN8680M原边反馈低功耗电源芯片最大输出功率是在环境温度45℃的密闭式应用情形下测试。
  
  PN8680M管脚定义:
管脚名 管脚标号 管脚功能描述
VDD 1 工作电压输入引脚
GND 2 地电位
FB 3 反馈引脚,辅助绕组电压通过电阻反馈稳定输出
CS 4 电流检测引脚
SW 5,6,7,8 智能功率MOSFET Drain端引脚,跟变压器初级相连
  
  PN8680M典型应用电路图:
 
  
  PN8680M极限工作范围:  
  VDD 脚耐压……………….……………………-0.3~40V  
  FBCS 脚耐压………………...……….…………-0.3~5.5V  
  SW 脚耐压……………………….…….…..…. -0.3~650V  
  结工作温度范围……….…..….…..…...….….-40~150℃  
  存储温度范围………………………....…. ….-55~150℃  
  管脚焊接温度 (10秒)……………..……………...260℃  
  封装热阻RθJC (SOP-8)…...........……………….80℃/W  
  人体模式ESD 能力(1)(HBM)……..…...….……... ±4kV  
  漏极脉冲电流(Tpulse=100us)………….…….…..…..…3A

  PN8680M应用领域:  
  ■ 开关电源适配器  
  ■ 电池充电器  
  ■ 机顶盒电源
  
  如果需要PN8680M 12W原边反馈低功耗电源芯片参数和产品详细手册及规格书或其他资料,请联系91免费福利网站在线客服向91免费福利网站申请。>>
产品中心 关于91免费福利网站 联系91免费福利网站
网站地图