充电器芯片阿里巴巴店铺 开关电源芯片关注91免费福利网站 91免费视频成人收藏91免费福利网站 欢迎进入电源芯片/驱动芯片、MOS、IGBT、二三极管、桥堆等电子元器件代理商--91免费福利网站电子官网
高级搜索

搜索一

搜索二

充电管理IC方案

推荐产品

联系91免费福利网站

开关电源芯片
深圳市91免费福利网站电子科技有限公司

电话:0755-23087599

手机:13808858392

邮箱:dunianhua@leweitech.com

地址:深圳市宝安区西乡鹤洲恒丰工业城B11栋5楼东

prevnext

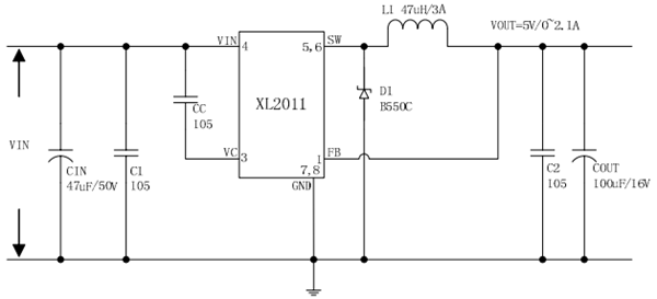
XL2011_dc-dc降压芯片 XL2011

所属分类:XL/芯龙系列
品牌:上海芯龙
型号:XL2011
封装:SOP8L
功率:10.5W
电流:2.1A
订购热线:0755-23087599
XL2011产品描述:
XL2011是150千赫频率固定PWM(降压)直流/直流转换器能够承受2.1A的负载效率、低纹波和优秀的线和负载调整率。固定频率振荡器与频率补偿电路,简化了电路设计。。
XL2011内置输出过电流保护功能。当短的保护功能发生时芯片将会关闭。内部补偿模块可以减少外围元器件数量。

XL2011产品特点:
宽8 v -45 v输入电压范围。
固定5 v输出电压。
最大输出电流2.1A。
固定150 khz切换频率。
内置功率MOSFET。
效率高92%。
输出短。
负载调节。
限流功能。
SOP8L封装。

典型应用
yle="width: 600px; height: 273px;" />




 
产品中心 关于91免费福利网站 联系91免费福利网站
网站地图