充电器芯片阿里巴巴店铺 开关电源芯片关注91免费福利网站 91免费视频成人收藏91免费福利网站 欢迎进入电源芯片/驱动芯片、MOS、IGBT、二三极管、桥堆等电子元器件代理商--91免费福利网站电子官网
高级搜索

搜索一

搜索二

充电管理IC方案

推荐产品

联系91免费福利网站

开关电源芯片
深圳市91免费福利网站电子科技有限公司

电话:0755-23087599

手机:13808858392

邮箱:dunianhua@leweitech.com

地址:深圳市宝安区西乡鹤洲恒丰工业城B11栋5楼东

prevnext

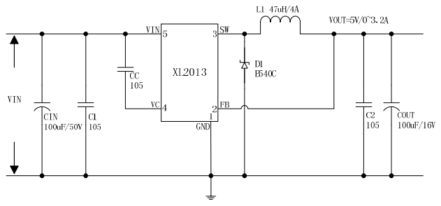
XL2013_5V3.2A车充降压芯片 XL2013

所属分类:XL/芯龙系列
品牌:上海芯龙
型号:XL2013
封装:TO252-5L
功率:16W
电流:3.2A
订购热线:0755-23087599
XL2013产品描述:
XL2013是一个150KHz的固定频率PWM降压(步降)DC/DC转换器,能够驱动一个3.2A的负载,高效率,低纹波和出色的线路和负载调节。需要的外部元件数量最少,稳压器简单易用,包括内部频率补偿和固定频率振荡器。
该XL2013内置输出短路保护功能。当短路保护功能的情况,该芯片将被关闭。内部补偿模块是建立在以尽量减少外部元件数量。
 
XL2013产品特点:
广泛的8V至40V的输入电压范围。
固定的5V输出电压。
最大3.2A的输出电流。
150KHz的固定开关频率。
内部优化的功率MOSFET。
效率高达92%。
内置输出短路关断功能。
出色的线路和负载调节。
内置热关断功能。
内置电流限制功能。
TO252-5L封装

典型应用图



 
产品中心 关于91免费福利网站 联系91免费福利网站
网站地图