充电器芯片阿里巴巴店铺 开关电源芯片关注91免费福利网站 91免费视频成人收藏91免费福利网站 欢迎进入电源芯片/驱动芯片、MOS、IGBT、二三极管、桥堆等电子元器件代理商--91免费福利网站电子官网
高级搜索

搜索一

搜索二

充电管理IC方案

推荐产品

联系91免费福利网站

开关电源芯片
深圳市91免费福利网站电子科技有限公司

电话:0755-23087599

手机:13808858392

邮箱:dunianhua@leweitech.com

地址:深圳市宝安区西乡鹤洲恒丰工业城B11栋5楼东

prevnext

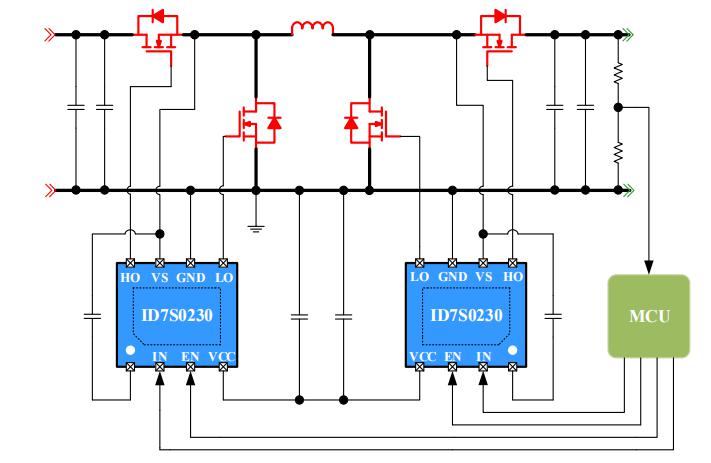
ID7S0230 18V 半桥自举驱动芯片

品牌:芯朋微/安趋
型号:ID7S0230DEC-R1
封装: DFN3X 3-8L
功率:18V
电流:3.5/3.0 A
订购热线:0755-23087599
  ID7S0230半桥自举驱动芯片是一款单相高压功率的MOSFET和IGBT栅极驱动器,其被优化用于驱动高侧和低侧功率晶体管。其浮地通道驱动设计能适应高达18V的BUS电压。由于工作电压范围宽,高低侧栅驱动电压可以被优化成最佳效率。内部自适应死区电路可有效防止功率管共态导通并进一步降低了开关损耗。可通过控制使能引脚(EN)为低电平来关断驱动器的输出。
  
  ID7S0230半桥自举驱动芯片特性  
  ■ 高侧浮动偏移电压18V  
  ■ 较宽的工作电压范围  
  ■ 输入逻辑兼容3.3V和5V  
  ■ 一路PWM信号控制两路输出  
  ■ 自适应死区防直通电路  
  ■ 使能功能引脚  
  ■ HO输出与N同相,LO输出与IN反相  
  ■ 所有通道延时匹配功能
  
  封装/订购信息
  
  典型电路图
  
  应用领域  
  ■ 电子烟  
  ■ 无线充电器  
  ■ DCDC变换器
  
  ID7S0230D半桥自举驱动芯片采用DFN8-3x3封装,是18 V 单相,IN/EN,集成自举91免费下载入口,输入功率电压高达36V,4.8-15V 宽范围工作电压范围,驱动能力IO+/IO-:3.5/3.0 A,典型应用于电子烟、无线充电领域,可兼容替代ON/安森美NCP81155。
产品中心 关于91免费福利网站 联系91免费福利网站
网站地图