充电器芯片阿里巴巴店铺 开关电源芯片关注91免费福利网站 91免费视频成人收藏91免费福利网站 欢迎进入电源芯片/驱动芯片、MOS、IGBT、二三极管、桥堆等电子元器件代理商--91免费福利网站电子官网
高级搜索

搜索一

搜索二

充电管理IC方案

推荐产品

联系91免费福利网站

开关电源芯片
深圳市91免费福利网站电子科技有限公司

电话:0755-23087599

手机:13808858392

邮箱:dunianhua@leweitech.com

地址:深圳市宝安区西乡鹤洲恒丰工业城B11栋5楼东

prevnext

ID2016 200V 三相栅极驱动芯片

品牌:芯朋微
型号:ID2016SDC-R1
封装:TSSOP20
功率:200V
电流:1A/1A
订购热线:0755-23087599
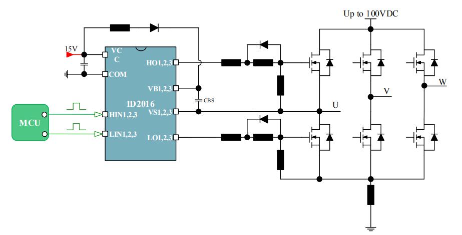
  ID2016三相栅极驱动芯片是为三相无刷直流电机驱动器应用而设计的门驱动器IC。它能够驱动由六个N沟道功率MOSEFET组成的三个半桥。Driver的高压制成工艺和共模噪声消除技术能够保证芯片在高dv/dt噪声环境下能够正常运行,芯片保护功能包括输入端防有效逻辑电平互锁功能以及VCC和VBS欠压保护功能。
  
  ID2016芯片特点  
  ■ 高侧浮动偏移电压200V  
  ■ 输入逻辑兼容3.3V和5V  
  ■ VCC工作电压范围5V-20V  
  ■ 所有通道均具有欠压保护功能  
  ■ 所有通道内置输入防直通逻辑保护电路,死区时间典型值为200ns  
  ■ 输出拉/灌电流能力1A/1A  
  ■ VS负偏压能力典型值-7V
  
  封装/订购信息
  
  id2016典型电路图
  
  应用领域  
  ■ 无刷直流电动机  
  ■ 电动工具  
  ■ 电动自行车  
  ■ 伺服控制
  
  ID2016 200V三相栅极驱动芯片采用TSSOP20封装,5-20V 宽范围工作电压范围,输入可兼容 3.3V, 5V 逻辑工作电平,1A/1A 拉灌电流能力,可兼容替换TI/德州仪器DRV8300NPWR/DRV8300DPWR,ON/安森美FAN7888MX,典型应用于电动车、低压风机和泵电路,具有防直通保护和高低侧全通道欠压保护。
产品中心 关于91免费福利网站 联系91免费福利网站
网站地图