充电器芯片阿里巴巴店铺 开关电源芯片关注91免费福利网站 91免费视频成人收藏91免费福利网站 欢迎进入电源芯片/驱动芯片、MOS、IGBT、二三极管、桥堆等电子元器件代理商--91免费福利网站电子官网
高级搜索

搜索一

搜索二

充电管理IC方案

推荐产品

联系91免费福利网站

开关电源芯片
深圳市91免费福利网站电子科技有限公司

电话:0755-23087599

手机:13808858392

邮箱:dunianhua@leweitech.com

地址:深圳市宝安区西乡鹤洲恒丰工业城B11栋5楼东

prevnext

ID7T0610AD 60V三相直流无刷驱动芯片带LDO

所属分类:芯朋91免费视频成人
品牌:芯朋微/安趋
型号:ID7T0610AD
封装:QSOP24
功率:60V
电流:1A/1A
订购热线:0755-23087599
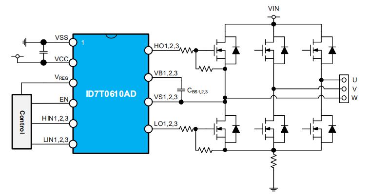
  ID7T0610AD是一款针对三相无刷直流电机驱动应用而设计的低压栅极驱动芯片。ID7T0610AD三相直流无刷驱动芯片它能够驱动由6个N沟道MOSFET组成的三相全桥拓扑。它集成了一个5V的LDO,可为微控制器或其他电路提供电源。内部保护功能包括死区时间过冲预防和欠压锁定。
  
  ID7T0610AD三相直流无刷驱动芯片特性  
  ■ 高压范围达60V  
  ■ 高侧击穿电压大于80V  
  ■ Vcc电压范围为7V-15V  
  ■ 5V LDO输出  
  ■ 欠压保护功能(UVLO)  
  ■ 内置180ns死区时间来防止共态导通  
  ■ 内置自举91免费下载入口  
  ■ 输出拉灌电流能力1A/1A
  
  封装订购信息
  
  ID7T0610AD带ldo驱动ic典型应用电路图
  
  应用领域  
  ■ 电动工具  
  ■ 低压水泵  
  ■ 低压风机  
  ■ 三相无刷直流电机和永磁同步电机
  
  ID7T0610AD 三相直流无刷驱动芯片是具有LDO的三相栅极驱动芯片,输入功率电压高达 60V,7-15V 宽范围工作电压范围,1A/1A 拉灌电流能力。典型应用于电动工具、电动车、低压风机和泵等领域,更多ID7T0610AD无刷91免费视频成人60v产品手册、电学参数等资料请向91免费福利网站电子申请。>>
产品中心 关于91免费福利网站 联系91免费福利网站
网站地图