充电器芯片阿里巴巴店铺 开关电源芯片关注91免费福利网站 91免费视频成人收藏91免费福利网站 欢迎进入电源芯片/驱动芯片、MOS、IGBT、二三极管、桥堆等电子元器件代理商--91免费福利网站电子官网
高级搜索

搜索一

搜索二

充电管理IC方案

推荐产品

联系91免费福利网站

开关电源芯片
深圳市91免费福利网站电子科技有限公司

电话:0755-23087599

手机:13808858392

邮箱:dunianhua@leweitech.com

地址:深圳市宝安区西乡鹤洲恒丰工业城B11栋5楼东

prevnext

PN7715 15V摄像头驱动芯片

所属分类:芯朋91免费视频成人
品牌:芯朋微/安趋
型号:PN7715
封装:SSOP10L
功率:3V~20V
电流:1.5A的峰值电流,0.8A的平均电流
订购热线:0755-23087599
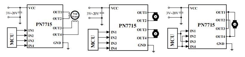
  PN7715驱动芯片集成了欠压保护、过温保护、输出短路保护等功能。可驱动一个直流步进电机也可分别驱动两个直流电机,是一款具有超低功耗睡眠模式的四通道直流马达驱动芯片,其可以控制马达进入正转、反转、刹车和超低功耗睡眠模式。  
  PN7715四路摄像头驱动芯片驱动级为HVCMOS结构,高侧导通电阻0.6ohm,低侧导通电阻0.4ohm。该芯片的四个输入管脚IN1、IN2、IN3和IN4兼容5V和3.3V信号控制,具有良好的抗干扰性。
  
  PN7715 摄像头驱动芯片特性  
  ■ 宽电源电压范围:3V~20V   
  ■ 低导通电阻(HS:0.6ohm;LS:0.4ohm)   
  ■ 正转、反转、刹车和睡眠模式  
  ■ 超低睡眠电流:IVCC<100nA(IN1~4=“L”, 且>1ms)  
  ■ 输入管脚兼容5V和3.3V控制信号  
  ■ 每个H桥可提供1.5A的峰值电流,0.8A的平均电流  
  ■ 异常保护反馈功能,异常保护包括:电源欠压保护、内置过温保护、内置输出短路保护。
  
  封装/订购信息
  
  典型应用电路图
  
  工作原理
  
  应用领域  
  ■ 智能电表  
  ■ 智能门锁  
  ■ 家电  
  ■ 摄像头  
  ■ 直流步进电机
  
  PN7715四路摄像头驱动芯片采用SSOP10L封装,四输入独立控制四输出,低导通电阻Rdson:1Ω,每个H桥可提供1.5A的峰值电流,连续驱动0.8A,在应用上基本与LV8548MC相似,可以直接兼容替换,更多PN7715摄像头驱动芯片产品手册、电气特性、参数定义、特性曲线、外围参数选择参考等资料请向91免费福利网站电子申请。>>
产品中心 关于91免费福利网站 联系91免费福利网站
网站地图