超精简10W无线充电芯片方案
字号:T|T
无线充电芯片厂商Chipown根据十多年高低压功率集成经验,采用家电及工业应用的经典技术架构,将低压信号处理与高压功率处理彻底分离,自主研发的无线充电功率芯片PN7724(10W)、PN7726(20W),内置驱动电路、4颗功率开关管和LDO,使无线充电方案外围精简、温升低、安全可靠,下面跟随91免费福利网站电子一起了解下超精简10W无线充电芯片方案。

PN7724无线充电芯片搭配一颗通用MCU即可实现10W无线充电功率发射,具有如下特点:
高集成度:将全桥4颗功率开关管、驱动电路、LDO集成于一颗单芯片上,实现功率模块全集成!
高转换效率:受益于单芯片功率集成技术,显著减小寄生参数,降低关断损耗;受益于自适应死驱调节技术,谐振电流更多时间流过MOS沟道,减小导通损耗!
SOP8-PP功率封装:仅8个引脚,应用简单;功率封装底部散热片可大面积敷铜散热,显著降低芯片及PTx温升!
安全可靠:与分立MOS方案不同,不论MCU输出信号是否异常,PN7724内部高低侧MOS只有一个管子处于导通状态,彻底避免直通炸机!
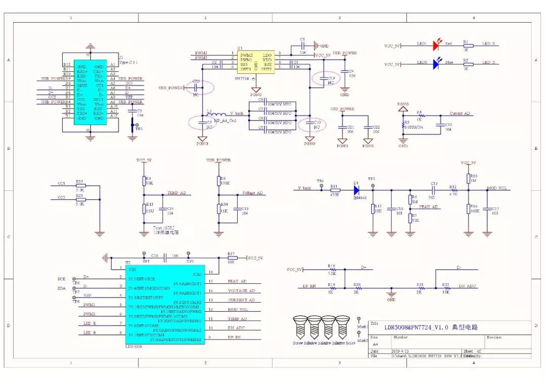
无线充电芯片方案原理图:

PN7724无线充电芯片方案实现高压功率处理部分最精简外围;LDR5008 SOP16封装支持QC及Qi协议,集成数字解码电路,先进功率控制技术(调频、调占空比)实现信号处理最精简外围 支持3-9V输入,典型应用5W/7.5W/10W无线充电方案,PN7724无线充电芯片方案整体BOM小于50颗元器件。
上一篇:二口旅行充电器IC方案 下一篇:AC-DC开关91免费福利下载APP方案
同类文章排行
- 超精简10W无线充电芯片方案
- 12v电源适配器芯片方案
- AC-DC开关91免费福利下载APP方案
- USB A+C 5V/2.4A壁式充电器方案
- 四口档板充电器电源芯片方案
- 二口旅行充电器IC方案
- 三口旅充IC方案
- 2USB+2 Type C+2插座充电方案
- 20W Gan充电器方案
- 2C+1A 65W GaN充电器/适配器方案
阿里巴巴店铺
关注91免费福利网站
收藏91免费福利网站

