过认证、低成本 | 65W-PD-2C1A氮化镓设计方案!
字号:T|T
65W-PD-2C1A 氮化镓方案由主控芯片PN8783、同步整流芯片PN8307P、DC-DC降压芯片 NDP1460PQB和PD协议芯片XPD737+XPD767套片组合,实现三口输出,并支持功率自动分配,整套方案具有成本低,性能稳定,产品体积小,可满足客户认证要求。
一、2C1A氮化镓方案特性
1:USB-C1口单独使用 65W
输出规格: 5V3A 9V3A 12V3A 15V3A 20V3.25A:
2:USB-C2口单独使用 65W
输出规格: 5V3A 9V3A 12V3A 15V3A 20V3.25A
3:USB- A口单独使用 18W
输出规格: 5V3A 9V2A 12V1.5A
4:USB-C1+ USB-C2同时使用(45W+20W)
C1输出规格: 5V3A 9V3A 12V3A 15V3A 20V2.25A 45WMAX
C2输出规格: 5V3A 9V2.22A 12V1.67A 20WMAX
5:USB-C1+ USB-A同时使用(45W+18W)
C1输出规格: 5V3A 9V3A 12V3A 15V3A 20V2.25A 45WMAX
USB-A输出规格: 5V3A 9V2A 12V1.5A 18WMAX
6:USB-C2+ USB-A同时使用
共享:5V3A MAX
7:USBC1+USB-C2+ USB-A同时使用
C1输出规格: 5V3A 9V3A 12V3A 15V3A 20V2.25A MAX
C2+ USB-A共享:5V3A MAX
二、芯片概述
主控芯片PN8783:PN8783系列采用SOP10/PP封装,内置高性能700V GaN FET,具有卓越的环路稳定性、高功率密度、低待机功耗等明显优势,同时在封装底部大面积敷铜散热,可以显著降低芯片温升。

同步整流芯片PN8307P:PN8307P内置100V/7mΩ智能MOSFET,快速关断+自适应死区控制提高MOSFET Rdson利用率,显著降低温升,专利轻载模式可降低待机功耗,具有超高性价比。

DC-DC降压芯片 NDP1460:NDP1460PQB是一款集成MOS管的高效同步降压DC/DC转换器。其内部采用抖频、平均电流模式控制结构。能够连续提供高达7A的输出电流,具有出色的线性和负载调节能力。NDP1460PQB的输入电压范围从7.5V至30V,输出电压可调,范围从3.3V至29V。

PD协议芯片XPD737:XPD737内部集成 10mΩ VBUS 通路管,并且集成10mΩ电流检测电阻,支持完善的保护功能,降低外围元件数量,简化电路,降低成本。采用ESOP8封装。

PD协议芯片XPD767:XPD767集成了协议控制和VBUS开关以及复杂的控制逻辑,一颗芯片完成1A1C控制,通过XPD-LINK互联技术,两颗芯片即可组成2A1C的快充解决方案,并且无需添加复杂的外围电路。

三、DEMO实物图

美规折叠头,实物尺寸:56.64*53.13*28.91
四、输出特性

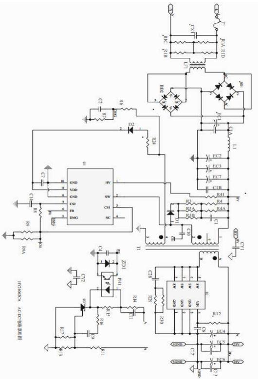
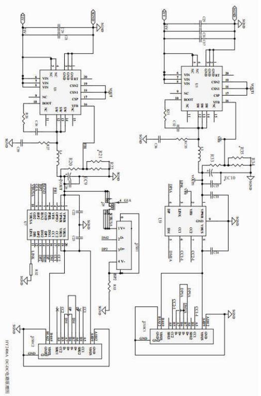
五、电路原理图
电路原理图(AC-DC 部分)

电路原理图(DC-DC 部分)

六、部分BOM清单

65W-PD-2C1A氮化镓方案,115Vac/60Hz-230Vac/50Hz待机功耗<75mW,平均效率>93.4%,因集成度高、性能卓越、方案成本优势明显,获得了众多厂家争相采用,更多方案规格、线路图纸、变压器设计、测试数据及应用要点请向91免费福利网站电子申请。》
上一篇:CR6212_5V/12V高效率、低成本电源方案,完美替换OB257X 下一篇:没有了
同类文章排行
- CR5218SC_5V1A适配器方案
- 7个大幅精简外围的ac-dc91免费福利下载APP方案
- 德普微DP2525B原边反馈电源芯片恒压恒流5W
- 5v开关电源芯片PN8370M+PN8306M 5V2A六级能
- CR1252+CR3012_12V20A开关电源方案
- 基于PN8390+PN8308M高性能12V2A适配器电源
- PN8000无电感负压输出AC-DC非隔离超精简方
- PN8370_2.4A手机充电器电源芯片方案
- CR6249_12V1.5A电源适配器方案
- 12V3.0A同步整流六级能效电源适配器应用方
阿里巴巴店铺
关注91免费福利网站
收藏91免费福利网站

