充电器芯片阿里巴巴店铺 开关电源芯片关注91免费福利网站 91免费视频成人收藏91免费福利网站 欢迎进入电源芯片/驱动芯片、MOS、IGBT、二三极管、桥堆等电子元器件代理商--91免费福利网站电子官网
高级搜索

搜索一

搜索二

充电管理IC方案
当前位置: 电源ic > 方案案例 > 充电器/适配器方案 > CR6212_5V/12V高效率、低成本电源方案,完美替换OB257X

CR6212_5V/12V高效率、低成本电源方案,完美替换OB257X

字号:T|T
文章出处:91免费福利网站电子责任编辑:91免费福利下载APP人气:-发表时间:2024-03-07
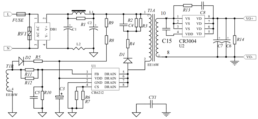
  CR6212BS+CR3004SLD_12V1.5A电源适配器方案,是基于一个能适用于宽输入电压范围,输出功率 18W,恒压恒流输出的电源适配器,采用了CR6212BSJ 功率开关和 CR3004SLD 同步整流芯片。
  
  一、方案概述  
  1、样机PCBA尺寸:67*35*23mm,是一款全电压实现12V1.5A输出的电源适配器。  
  2、AC90V满足启动时间的条件下,实现AC264V样机待机功耗仅为71mW;同时效率能够满足最严格的 “COC_V5_T2” 能效标准;  
  3、全电压可实现±5%的CC/CV输出精度。  
  4、整机(含套件外壳)可满足40℃环境温度满载温升测试要求。  
  5、具良好的恒流输出效果;同时具有“软启动、OCP、SCP、OVP、OTP自动恢复”等多种保护功能。
  
  二、芯片特性  
  CR6212BSJ 芯片特性:  
  ● CR6212BSJ 内置 650V 高压功率 MOSFET,反激式原边检测,CC\CV原边检测 PWM 功率开关;  
  ● SOP8 封装,一侧引脚(5-8)全为内置 MOS 漏极,方便散热设计;  
  ● 内置软启动,减小 MOSFET 的应力,内置斜坡补偿电路;  
  ● 低功耗、高能效频率反走 QR 模式控制;  
  ● 具有良好的 EMI 特性,可编程输入欠压或过压保护;  
  ● 具有“软启动、OCP、SCP、OTP、OVP、引脚悬空”等多种保护;  
  ● 原边反馈,无需光耦和 TL431,内置电感量偏差补偿功能;  
  ● 电路结构简单、较少的外围元器件,适用于小功率 AC/DC 电源适配器、充电器。
  
  CR3004SLD 芯片特性:  
  ● 自供电 DCM 同步整流开关、SOP8 封装、内置 60V 耐压功率开关管、精简的外围电路、较低的工作电流和较高的系统效率满足高能效要求。
  
  三、PCB及DEMO实物图
  
  四、典型电路图
  
  五、整机参数
  
  CR6212BSJ_12V1.5A电源适配器方案待机功耗(230V)<63mW,平均效率>86%;电路结构简单、较少的外围元器件,适用于小功率 AC/DC 电源适配器、充电器,可兼容代换OB2570、OB2571、OB2576、OB2578等IC,更多CR6212B系列12V1A/12V1.5A/5V3.4A原边检测开关电源芯片产品手册、样品及参考应用资料请向启臣微代理91免费福利网站电子申请。>>
产品中心 关于91免费福利网站 联系91免费福利网站
网站地图