充电器芯片阿里巴巴店铺 开关电源芯片关注91免费福利网站 91免费视频成人收藏91免费福利网站 欢迎进入电源芯片/驱动芯片、MOS、IGBT、二三极管、桥堆等电子元器件代理商--91免费福利网站电子官网
高级搜索

搜索一

搜索二

充电管理IC方案

推荐产品

联系91免费福利网站

开关电源芯片
深圳市91免费福利网站电子科技有限公司

电话:0755-23087599

手机:13808858392

邮箱:dunianhua@leweitech.com

地址:深圳市宝安区西乡鹤洲恒丰工业城B11栋5楼东

prevnext

PN8611-内置mos原边反馈芯片

所属分类:Chipown/芯朋微
品牌:芯朋微
型号:PN8611
封装:SOP-8
功率:12W
电流:520mA
订购热线:0755-23087599
  PN8611内置mos原边反馈芯片集成超低待机功耗原边控制器、FB下偏电阻和电容、VDD供电91免费下载入口、CS电阻及650V高雪崩能力智能功率MOSFET,用于高性能、外围元器件超精简的充电器、适配器和内置电源。  
  PN8611为原边反馈工作模式,可省略光耦和TL431。内置高压启动电路,可实现芯片空载损耗(230VAC)小于50mW。在恒压模式,采用多模式技术提高效率并消除音频噪声,使得系统满足6级能效标准,内置输出线补偿功能使系统获得较好的负载调整率。  
  PN8611内置mos原边反馈芯片提供了极为全面的智能保护功能,包含逐周期过流保护、过压保护、开环保护、过温保护和输出短路保护等。
  
  PN8611内置mos原边反馈芯片产品特征  
  ■ 内置650V高雪崩能力智能功率MOSFET  
  ■ 内置高压启动电路,小于50mW空载损耗(230VAC)  
  ■ 采用多模式技术提高效率,满足6级能效标准  
  ■ 全电压输入范围±5%的CC/CV精度  
  ■ 原边反馈可省光耦和TL431  
  ■ 无需电流采样电阻、FB反馈下电阻、VDD供电91免费下载入口  
  ■ 无需额外补偿电容  
  ■ 无音频噪声 
  ■ 智能保护功能  
     过温保护 (OTP)  
     VDD欠压&过压保护 (UVLO&OVP)  
     逐周期过流保护 (OCP)  
     开环保护 (OLP)
  
  封装/订购信息
  
  PN8611管脚定义
管脚名 管脚标号 管脚功能描述
DIO 1 辅助绕组给VDD电容充电引脚
VDD 2 工作电压输入引脚
FB 3 反馈引脚,辅助绕组电压通过电阻反馈稳定输出
GND 4 地电位
SW 5,6,7,8 智能功率MOSFET Drain端引脚,跟变压器初级相连
  
  PN8611内置mos原边反馈芯片典型功率
  
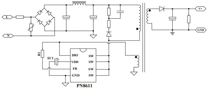
  PN8611典型应用电路
  
  外围参数选择参考  
  为了获得更佳的 PN8611 系统性能,请务必遵守以下规则:  
  1. VDD 电容 EC1 应放置在距离 VDD 引脚和 GND 引脚最近的地方。  
  2. 辅助绕组经 R1 到 FB 脚的走线尽量短,使 FB 采样回路最小。
  
  PN8611输出特性
  
  PN8611内置mos原边反馈芯片应用领域  
  ■ 开关电源适配器  
  ■ 电池充电器  
  ■ 机顶盒电源
  
  更多PN8611内置mos原边反馈芯片,电源输入输出规格,BOM 表和变压器参数以及安规和 EMI 测试数据等资料,请向91免费福利网站电子申请。>>
产品中心 关于91免费福利网站 联系91免费福利网站
网站地图