充电器芯片阿里巴巴店铺 开关电源芯片关注91免费福利网站 91免费视频成人收藏91免费福利网站 欢迎进入电源芯片/驱动芯片、MOS、IGBT、二三极管、桥堆等电子元器件代理商--91免费福利网站电子官网
高级搜索

搜索一

搜索二

充电管理IC方案

推荐产品

联系91免费福利网站

开关电源芯片
深圳市91免费福利网站电子科技有限公司

电话:0755-23087599

手机:13808858392

邮箱:dunianhua@leweitech.com

地址:深圳市宝安区西乡鹤洲恒丰工业城B11栋5楼东

prevnext

SD4938 150V电流型PWM控制芯片

所属分类:SLAN/士兰微
品牌:士兰微
型号:SD4938
封装:SOP-8
功率:12V/15V/18V
电流:0.5A
订购热线:0755-23087599
  SD4938描述  
  SD4938是用于开关电源的内置150V高压MOSFET的电流模式PWM控制器。  
  SD4938电流型PWM控制芯片内置高压启动电路。在轻载下会进入打隔模式,从而有效地降低系统的待机功耗。具有降频功能,进一步优化轻载条件下的转换效率。具有软启动功能,能够减小器件的应力,防止变压器饱和。  
  SD4938电流型PWM控制芯片内部还集成了各种异常状态的保护功能,包括:VDD欠压保护,VDD过压保护,前沿消隐,输出过载保护,过流保护,过温保护等。触发保护后,电路会不断自动重启,直到系统正常为止。
  
  SD4938主要特点  
  ·20V至150V输入电压  
  ·12V,15V,18V输出电压三档可调  
  ·0.5A输出电流  
  ·高压启动  
  ·轻载打嗝  
  ·降频  
  ·软启动  
  ·VDD欠压保护·VDD过压保护  
  ·前沿消隐  
  ·输出过载保护  
  ·过流保护·过温保护
  
  SD4938管脚排列图
  
  SD4938管脚描述
管脚号 管脚名称 I/O 管脚描述
1 VDD I/O 控制电路的供电电源
2,3,4 NC NC 无连接
5,6 DRAIN O 功率MOSFRT漏极
7 VSET I 用于设置不同的输出电压,悬空时输出12V,接地时输出15V,接51K电阻到地输出18V。
8 GND G 功率MOSFET源极和控制电路的参考地
  
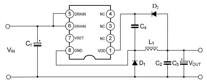
  SD4938典型应用电路图
  
  12V/0.3A输出时应用线路图

  
  15V/0.3A输出时应用线路图

  
  18V/0.3A输出时应用线路图
  
  SD4938应用领域  
  ·平衡轮  
  ·以太网供电  
  ·电动自行车  
  ·电动工具
  
  更多SD4938 150V电流型PWM控制芯片产品的详细手册及方案相关资料,可联系91免费福利网站电子在线客服申请。
产品中心 关于91免费福利网站 联系91免费福利网站
网站地图