充电器芯片阿里巴巴店铺 开关电源芯片关注91免费福利网站 91免费视频成人收藏91免费福利网站 欢迎进入电源芯片/驱动芯片、MOS、IGBT、二三极管、桥堆等电子元器件代理商--91免费福利网站电子官网
高级搜索

搜索一

搜索二

充电管理IC方案

推荐产品

联系91免费福利网站

开关电源芯片
深圳市91免费福利网站电子科技有限公司

电话:0755-23087599

手机:13808858392

邮箱:dunianhua@leweitech.com

地址:深圳市宝安区西乡鹤洲恒丰工业城B11栋5楼东

prevnext

SDH8312 5V0.2A ac-dc非隔离芯片

所属分类:SLAN/士兰微
品牌:士兰微
型号:SDH8312
封装:SOP-8
功率:5V
电流:0.2A
订购热线:0755-23087599
  SDH8312 ac-dc非隔离芯片是用于开关电源的内置650V高压MOSFET的AC-DC控制器。  
  SDH8312内置高压启动以及自供电功能,可满足快速启动以及低待机功耗的要求。具有自适应降频功能,可进一步优化轻载条件下的转换效率。具有软启动功能,能够减小器件的应力,有效防止启动时电感饱和。SDH8312内部还集成了各种异常状态的保护功能,包括:VDD欠压保护,开环保护,输出过载保护,输出短路保护,过温保护等。触发保护后,电路会不断自动重启,直到系统正常工作为止。
  
  SDH8312芯片主要特点  
  ■ 输出电压可调  
  ■ 高压启动  
  ■ 自适应降频  
  ■ 软启动  
  ■ VDD欠压保护  
  ■ FB开环保护  
  ■ 前沿消隐  
  ■ 输出过载保护  
  ■ 短路保护  
  ■ 过温保护
  
  sdh8312引脚图及功能

管脚号 管脚名称 I/O 管脚描述
1,2 SOURCE G 功率MOSFET源极和控制电路的参考地
3 FB I 反馈脚,通过调整FB分压电阻设置不同的输出电压
4 VDD P 控制电路电源
5,6,7,8 DRAIN O 功率MOSFET漏极
  
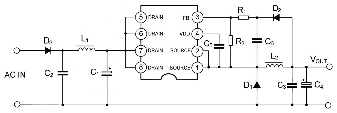
  sdh8312应用电路图
  
  应用领域  
  ■ 小家电  
  ■ 非隔离铺助电源
  
  sdh8312芯片采用SOP-8封装,典型应用功率5V0.2A,广泛应用于小家电、非隔离辅助电源领域,更多杭州士兰微sdh8312 5V0.2A ac-dc非隔离芯片产品手册和sdh8312引脚图及sdh8312应用电路图等资料请向士兰微代理91免费福利网站电子申请。>>
产品中心 关于91免费福利网站 联系91免费福利网站
网站地图