充电器芯片阿里巴巴店铺 开关电源芯片关注91免费福利网站 91免费视频成人收藏91免费福利网站 欢迎进入电源芯片/驱动芯片、MOS、IGBT、二三极管、桥堆等电子元器件代理商--91免费福利网站电子官网
高级搜索

搜索一

搜索二

充电管理IC方案

推荐产品

联系91免费福利网站

开关电源芯片
深圳市91免费福利网站电子科技有限公司

电话:0755-23087599

手机:13808858392

邮箱:dunianhua@leweitech.com

地址:深圳市宝安区西乡鹤洲恒丰工业城B11栋5楼东

prevnext

SDH8322S 12-18V 非隔离可调输出电源芯片

所属分类:SLAN/士兰微
品牌:士兰微
型号:SDH8322S
封装:SOP-8
功率:5W
电流:
订购热线:0755-23087599
  电源芯片SDH8322S是用于开关电源的内置高压MOSFET的电流模式PWM控制器,典型应用于195-265V,适配器10W,开放式13W;85-265V适配器5W,开放式8W,sdh8322s芯片内置高压启动电路,在轻载下会进入打隔模式,具有降频、软启动,还集成了VDD欠压保护、VDD过压保护、前沿消隐、偷出过载保护、过流保护、过温保护等各种异常状态的保护功能。
  
  sdh8322s芯片特点  
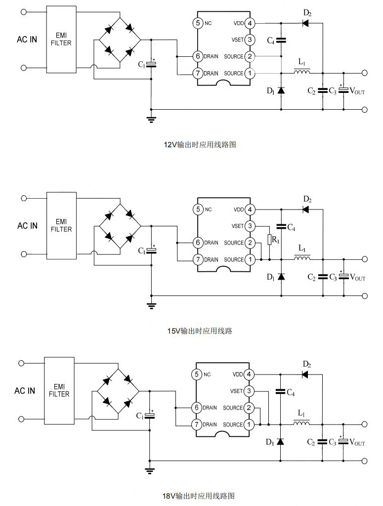
  ■ 12V15V18V输出电压三档可调  
  ■ 高压启动  
  ■ 轻截打隔  
  ■ 降频  
  ■ 软启动  
  ■ VDD欠压保护  
  ■ VDD过压保护  
  ■ 前沿消隐  
  ■ 输出过截保护  
  ■ 过流保护  
  ■ 过温保护
  
  电源芯片SDH8322s管脚排列及引脚
  
  sdh8322s应用电路
  
  电源芯片SDH8322S应用领域  
  ■ 离线式开关电源  
  ■ 非隔离升压降压转换器  
  ■ 小家电
  
  SDH8322S内置高压启动电路。在轻截下会进入打隔模式,从而有效地降低系统的待机功耗。具有降频功能,进一步优化轻截条件下的转换效率。具有软启动功能,能够诚小器件的应力,防止变压器饱和SDH8322S芯片内部还集成了各种异常状态的保护功能,包括:VDD欠压保护,VDD过压保护,前沿消隐,输出过截保护,过流保护,过温保护等。触发保护后,电路会不断自动重启,直到系统正常为止,更多sdh8322s芯片参数及sdh8322s规格书请向士兰微代理91免费福利网站电子申请。>>
产品中心 关于91免费福利网站 联系91免费福利网站
网站地图