充电器芯片阿里巴巴店铺 开关电源芯片关注91免费福利网站 91免费视频成人收藏91免费福利网站 欢迎进入电源芯片/驱动芯片、MOS、IGBT、二三极管、桥堆等电子元器件代理商--91免费福利网站电子官网
高级搜索

搜索一

搜索二

充电管理IC方案

推荐产品

联系91免费福利网站

开关电源芯片
深圳市91免费福利网站电子科技有限公司

电话:0755-23087599

手机:13808858392

邮箱:dunianhua@leweitech.com

地址:深圳市宝安区西乡鹤洲恒丰工业城B11栋5楼东

prevnext

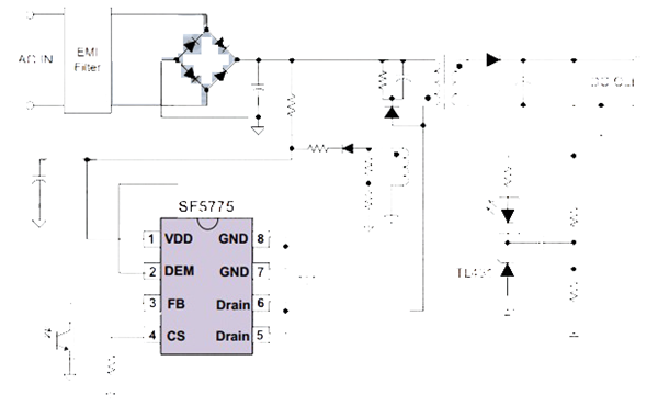
SF5775_AC/DC电源芯片 SF5775

所属分类:SF/赛威芯片
品牌:赛威
型号:SF5775
封装:SOP8
功率:6W
电流:
订购热线:0755-23087599
SF5775产品描述: 
SF5775是一款高性能,第二代准谐振( QR- | | TM) PWM控制器离线反激式电源转换器应用。内置专有的QR- | | TM技术与高水平的保护功能,提高了开关电源的可靠性和性能。
在SF5775 , “数码防抖”功能,可以自动选择并锁定一个山谷在给定的负载,从而可以实现音频无噪音运行。在另一方面, “数字频率抖动”功能,使系统具有优异的EMI性能比传统的QR系统。
SF5775是多模式控制器。当满负荷,该IC在CCM模式或QR模式的基础上AC线路输入的工作。当负载变低时,IC进入“数字频率折返”的模式,以提高功率转换效率。当输出功率是非常小的,IC进入到突发模式,可以实现小于100mW的空载功率。
SF5575集成了欠压锁定( UVLO ) , VCC过电压保护(OVP ) ,输出过电压保护(输出OVP )功能和保护,逐周期电流限制( OCP ) ,管脚浮保护,过负载保护( OLP ) ,软启动, VCC钳位,栅极钳位,在SF5775 ,保护功能自动恢复模式保护。
SF5775提供SOP8两种封装形式。
 
SF5775产品特点:
专有的QR - | | TM技术:数字抗抖动音频无噪音运行,数字频率折返,数字频率抖动更好的EMI
超过100mW的待机功耗减
高效率多模式操作
12.7us最大占空比。
80kHz的最大导通时间
52KHZ频率低钳位在QR模式
65%的最大占空比
CCM模式自适应斜坡补偿
内置600V功率MOSEFT
内置的同步斜坡补偿
恒定功率限制

典型应用图



 
 
产品中心 关于91免费福利网站 联系91免费福利网站
网站地图