充电器芯片阿里巴巴店铺 开关电源芯片关注91免费福利网站 91免费视频成人收藏91免费福利网站 欢迎进入电源芯片/驱动芯片、MOS、IGBT、二三极管、桥堆等电子元器件代理商--91免费福利网站电子官网
高级搜索

搜索一

搜索二

充电管理IC方案

推荐产品

联系91免费福利网站

开关电源芯片
深圳市91免费福利网站电子科技有限公司

电话:0755-23087599

手机:13808858392

邮箱:dunianhua@leweitech.com

地址:深圳市宝安区西乡鹤洲恒丰工业城B11栋5楼东

prevnext

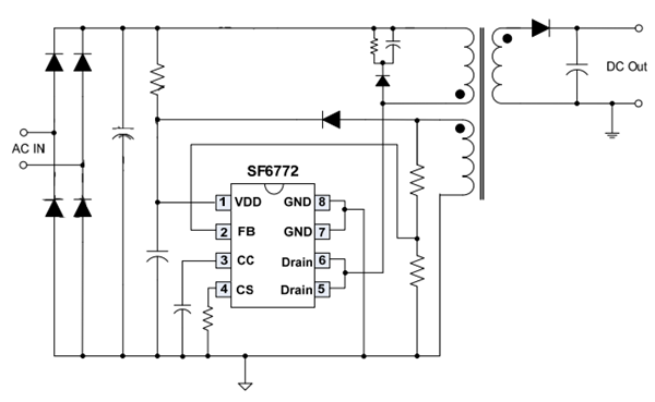
SF6772_充电器/适配器IC SF6772

所属分类:SF/赛威芯片
品牌:SF赛威
型号:SF6772
封装:SOP8
功率:6W
电流:
订购热线:0755-23087599
    SF6772产品特点:
    SF6772是准谐振(QR)模式的高精度原边反馈控制(PSR)恒压恒流(CV/CC)控制器。该系列驱动外部功率MOS管,非常适合低成本小功率充电器、适配器、和       LED照明场合。
    SF6772采用专利super-QR/PSRTM控制技术大大提升了PSR系统的效率,同时能够轻易满足六级能效的要求。该系列还采用专利的“多模式PSR”控制,可实现小于     ±5%的恒压恒流精度。 
    SF6772内部自动补偿输入电压、电感感量变化。在恒压模式下内置了专利的线电压补偿。该系列集成了诸多保护功能,比如:VDD欠压保护(UVLO),VDD过压       保护,软启动,逐周期过流保护,管脚浮空保护,VDD电压钳位保护等    
    SF6772提供小体积的SOP8封装 。
  
   SF6772产品特点:
   能够容易满足六级能效的要求 
   内置600V功率MOSFET 
   小于70mW的开启电压 
   集成了专利的“零电压带载启动”技术大大减小了系统OCP恢复间隙 
   集成了专利的“智能短路保护”技术 
   原边反馈(PSR)控制,无需光耦和TL431 
   专利的super-QR/PSRTM控制技术 
   ±5%的恒压恒流精度 
   内置专利的线损电压补偿 
   内置软启动,超低启动电流,管脚浮空保护 
   自动补偿输入电压、电感感量变化,实现高精度 
   输出过压保护  
   逐周期电流限制,内置前沿消隐  
   VDD欠压保护,过压保护及钳位

 典型应用图




 
产品中心 关于91免费福利网站 联系91免费福利网站
网站地图