充电器芯片阿里巴巴店铺 开关电源芯片关注91免费福利网站 91免费视频成人收藏91免费福利网站 欢迎进入电源芯片/驱动芯片、MOS、IGBT、二三极管、桥堆等电子元器件代理商--91免费福利网站电子官网
高级搜索

搜索一

搜索二

充电管理IC方案

推荐产品

联系91免费福利网站

开关电源芯片
深圳市91免费福利网站电子科技有限公司

电话:0755-23087599

手机:13808858392

邮箱:dunianhua@leweitech.com

地址:深圳市宝安区西乡鹤洲恒丰工业城B11栋5楼东

prevnext

XL4201_降压单片车充芯片 XL4201

所属分类:XL/芯龙系列
品牌:芯龙
型号:XL4201
封装:SOP-8
功率:13W
电流:3A
订购热线:0755-23087599
XL4201产品描述:
XL4201是一款高效降压型DC-DC转换器,可工作在DC8V到40V输入电压范围,低纹波,内置功率MOS。XL4201内置固定频率振荡器与频率补偿电路,简化了电路设计。
 PWM控制环路可以调节占空比从0~100%之间线性变化。内置输出过电流保护功能。内部补偿模块可以减少外围元器件数量。
 
XL4201产品特点:
8V到40V宽输入电压范围
输出电压从1.25V到37V可调
最小压差0.3V
固定150KHz开关频率
最大3A开关电流
内置功率MOS
出色的线性与负载调整率
内置恒流环路
内置频率补偿功能
内置输出短路保护功能
内置输入过压保护功能
内置热关断功能
推荐输出功率小于13W
SOP8-EP封装

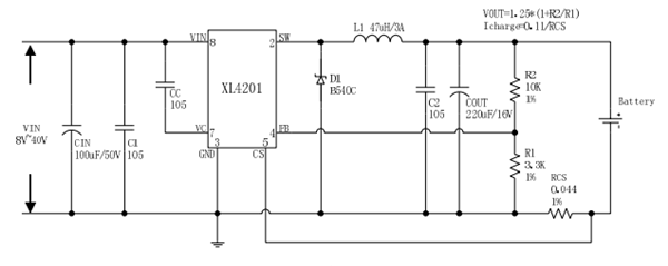
典型应用图



 
产品中心 关于91免费福利网站 联系91免费福利网站
网站地图