充电器芯片阿里巴巴店铺 开关电源芯片关注91免费福利网站 91免费视频成人收藏91免费福利网站 欢迎进入电源芯片/驱动芯片、MOS、IGBT、二三极管、桥堆等电子元器件代理商--91免费福利网站电子官网
高级搜索

搜索一

搜索二

充电管理IC方案

推荐产品

联系91免费福利网站

开关电源芯片
深圳市91免费福利网站电子科技有限公司

电话:0755-23087599

手机:13808858392

邮箱:dunianhua@leweitech.com

地址:深圳市宝安区西乡鹤洲恒丰工业城B11栋5楼东

prevnext

XL7015_降压电源芯片 XL7015

所属分类:XL/芯龙系列
品牌:XL/芯龙
型号:XL7015
封装:TO252-5L
功率:60W
电流:0.4A
订购热线:0755-23087599
XL7015产品描述:
XL7015 是一款高效、高 压 降压型DC-DC转换器,固定150KHz开关频率,可提供最高0.8A输出电流能力,低纹波,出色的线性调整率与负载调整率。XL7015内置固定频率振荡器与频率补偿电路,简化了电路设计。 PWM控制环路可以调节占空比从0~100%之间线性变化。内置输出过电流保护功能,当输出短路时,开关频率从150KHz降至45KHz。内部补偿模块可以减少外围元器件数量。 
 
XL7015产品特点 :
 5V到80V宽输入电压范围 
 输出电压从1.25V到20V可调 
 最大占空比100% 
 最小压降1V 
 固定150KHz开关频率 
 最大0.8A开关电流 
 推荐输出功率小于7W 
 内置高压功率三极管 
 效率高达85% 
 出色的线性与负载调整率 
 EN脚TTL关机功能 
 内置过热关断护功能 
 内置限流功能 
 内置输出短路保护功能 
 TO252-5L封装 

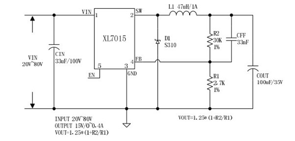
典型应用图



 
产品中心 关于91免费福利网站 联系91免费福利网站
网站地图