充电器芯片阿里巴巴店铺 开关电源芯片关注91免费福利网站 91免费视频成人收藏91免费福利网站 欢迎进入电源芯片/驱动芯片、MOS、IGBT、二三极管、桥堆等电子元器件代理商--91免费福利网站电子官网
高级搜索

搜索一

搜索二

充电管理IC方案
当前位置: 电源ic > 新闻中心 > 常见问答 > 马达驱动芯片怎么控制电机?

马达驱动芯片怎么控制电机?

字号:T|T
文章出处:91免费福利网站电子责任编辑:91免费福利下载APP人气:-发表时间:2023-05-26
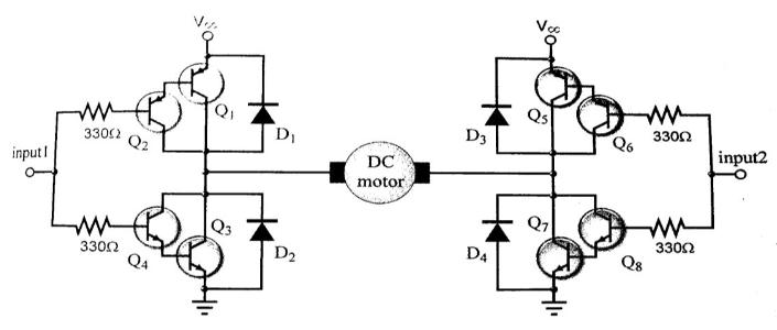
  电机作为一种机械装置,是机械系统中重要的驱动元件,它可以将电能转换成机械能,实现物体的运动。为了更好地控制电机,需要采用一种有效的驱动芯片,而马达驱动芯片就是其中之一,那么马达驱动芯片怎么控制电机?
 
  
  马达驱动芯片是用来驱动 MOSFET、IGBT、SiC、GaN 等功率器件的芯片,能够放大控制芯片(MCU) 的逻辑信号,包括放大电压幅度、增强电流输出能力,以实现快速开启和关断功率器件。
  
  马达驱动芯片它主要用来控制电机的转速、方向和电流,能够让电机更精准地运行。马达驱动芯片的核心部件是晶体管,它可以实现控制电机的指令,从而控制电机的转速、方向和电流。
  
  另外,马达驱动芯片还能实现模拟信号和数字信号的转换,方便控制电机的操作。其中,模拟信号的转换可以更好地控制电机的转速,而数字信号的转换可以更精准地控制电机的方向和电流,可广泛应用于家用电器、智能制造、机器人、3D 打印、安防、新能源及电动车等领域。
  
  总之,马达驱动芯片可以实现精准控制电机,提高电机的使用效率。因此,在控制电机时,采用马达驱动芯片是一个很好的选择,近年来,随着智能电子产品和自动化设备的广泛应用,马达驱动芯片呈现出健康快速的发展趋势。
产品中心 关于91免费福利网站 联系91免费福利网站
网站地图