充电器芯片阿里巴巴店铺 开关电源芯片关注91免费福利网站 91免费视频成人收藏91免费福利网站 欢迎进入电源芯片/驱动芯片、MOS、IGBT、二三极管、桥堆等电子元器件代理商--91免费福利网站电子官网
高级搜索

搜索一

搜索二

充电管理IC方案
当前位置: 电源ic > 新闻中心 > 公司新闻 > 锂电池mos管,30-40V低压mos系列!

锂电池mos管,30-40V低压mos系列!

字号:T|T
文章出处:91免费福利网站电子责任编辑:91免费福利下载APP人气:-发表时间:2022-10-14
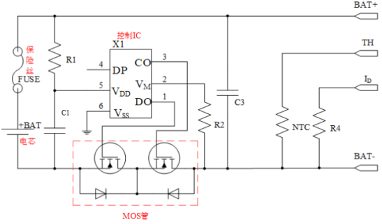
  锂电池作为目前市场上应用最为广泛的储能方式,给人们的生产生活带来了极大的舒适和便利,但锂电池经过长时间使用后,容量降低、内阻增大,长时间大内阻运行将导致电池发热严重,带来安全隐患,MOSFET作为锂电保护板的核心功率开关器件,其性能好坏直接影响锂电保护板的工作可靠性,选择合适的锂电池mos管让锂电保护应用设计更加可靠高效。
  
  30V常用锂电mos管型号主要有:SVG030R7NL5、SVG031R1NL5、SVG031R7NL5、SVG032R4NL5等,采用PDFN-8-5X6封装,并已大批量量产,典型应用于电源市场同步整流、小功率电机/电动工具、电子烟、锂电分容柜等不间断电源及逆变器系统的电源管理领域。
  
  SVG030R7NL5 30v大电流mos管:采用PDFN-8-5X6封装,漏源电压VDS=30V,漏极电流Tc=25℃:282A,导通电阻RDs(on)(典型值)=0.7mΩ@VGs=10V,具有低栅极电荷、快关速度快、低反向传输电容等特点。 
 
  SVG031R1NL5 30V低压mos管:采用PDFN-8-5X6封装,漏源电压VDS=30V,漏极电流Tc=25℃:229A,导通电阻RDs(on)(典型值)=1.1mΩ@VGs=10V。  
 
  SVG031R7NL5 30v贴片mos管:采用PDFN-8-5X6封装,漏源电压VDS=30V,漏极电流Tc=25℃:138A,导通电阻RDs(on)(典型值)=1.7mΩ@VGs=10V。 
 
  SVG032R4NL5耐压30v mos管:采用PDFN-8-5X6封装,漏源电压VDS=30V,漏极电流Tc=25℃:100A,导通电阻RDs(on)(典型值)=2.4mΩ@VGs=10V。
  
  40V低压锂电池mos管系列主要有:SVG041R2NL5、SVG042R1NL5、SVG042R5NL5等采用SGT LVMOS工艺,均是PDFN56封装;SVT042R5NT、SVT043R0NL5、SVT044R5NL5等采用LVMOS工艺,有TO220、PDFN56等多种封装,导通电阻RDS(on)(典型值)范围1.2mΩ-4.5mΩ,多种封装形式可选,广泛应用于各类锂电池保护模块、数码产品电源管理、消费类电子产品电源、电机等。
  
  40V锂电池mos管系列选型表
型号 电压V 内阻mΩ max 封装
SVG041R2NL5 40 1.2 PDFN56
SVG042R1NL5 40 2.1 PDFN56
SVG042R5NL5 40 2.5 PDFN56
SVT041R7NT 40 1.7 TO220
SVT042R5NT 40 2.5 TO220
SVT042R5NL5 40 2.4 PDFN56
SVT043R0NL5 40 3.0 PDFN56
SVT044R5NL5 40 4.5 PDFN56
SVT044R5NT 40 4.5 TO220
  
  30-40V低压MOS系列主要针对电源领域、电池保护、电机驱动等应用开发,广泛应用于各类锂电池保护模块、数码产品电源管理、消费类电子产品电源、电机等。MOS管在锂电池的应用中主要有检测过充电、检测过放电、检测充电时过电电流、检测充电时过电电流、检测短路时过电电流等功能,30-40V低压锂电池mos管产品,能够满足不同的电路拓扑结构与终端使用需求,更多低压、高压、超结mos产品手册等资料可向士兰微mos代理商91免费福利网站电子申请。>>

产品中心 关于91免费福利网站 联系91免费福利网站
网站地图