几种常见的led驱动芯片电源方案以及注意事项!
字号:T|T
接触过LED的人都知道由于LED正向伏安特性非常陡,要给LED正常供电就比较困难。不能像普通白炽灯一样,直接用电压源供电,否则电压波动稍增,电流就会增大到将LED烧毁的程度。为了稳定LED的工作电流,保证LED能正常可靠地工作,具有”镇流功能”的各种各样的LED驱动电路就应运而生,最简单的是串联一只镇流电阻,而比较复杂的是用许多电子元件构成的“恒流驱动器”。
下面91免费福利网站来看下生活中几种常见的led驱动芯片电源方案:
(一 ) 镇流电阻方案
这是一种极其简单,自LED面世以来至今还一直在用的经典电路。
LED工作电流I按下式计算:


I与镇流电阻R成反比;当电源电压U上升时,R能限制I的过量增长,使I不超出LED的允许范围。
此电路的优点是简单,成本低;缺点是电流稳定度不高;电阻发热消耗功率,导致用电效率低,仅适用于小功率LED范围。
一般资料提供的镇流电阻R的计算公式是:


按此公式计算出的R值仅满足了一个条件:工作电流I 。而对驱动电路另两个重要的性能指标:电流稳定度和用电效率,则全然没有顾及。因此用它设计出的电路,性能没有保证。
(二)镇流电容方案
电路的工作是基于在交流电路中,电容存在容抗XC也有”镇流作用”的原理。另外电容消耗无功功率,不发热;而电阻则消耗有功功率,会转化为热能耗散掉,所以镇流电容比镇流电阻,能节省一部分电能,并能设计成将LED灯直接接到市电~220V上,使用更为方便。
此方案的优点是简单,成本低,供电方便;缺点是电流稳定度不高,效率也不高。仅适用于小功率LED范围。当LED的数量较多,串联后LED支路电压较高的场合更为适用。


(三)线性恒流驱动电路
上面已经提到电阻、电容镇流电路的缺点是电流稳定度低(△I/I达±20~50%),用电效率也低(约50~70%),仅适用于小功率LED灯。
为满足中、大功率LED灯的供电需要,利用电子技术常见的电流负反馈原理,设计出恒流驱动电路。和直流恒压电源一样,按其调整管是工作在线性,还是开关状态,恒流驱动电路也分成两类:线性恒流驱动电路和开关恒流驱动电路。
(四)开关电源驱动电路
上述线性恒流驱动电路虽具有电路简单、元件少、成本低、恒流精度高、工作可靠等优点,但使用中也发现几点不足:
a、调整管工作在线性状态,工作时功耗高发热大(特别是工作压差过大时),不仅要求较大尺寸的散热器,而且降低了用电效率。
b、电源电压要求按公式(13)与LED工作电压严格匹配,不允许大范围改变。也就是说它对电源电压及LED负载变化的适应性差。
c、它仅能工作在降压状态,不能工作在升压状态。即电源电压必须高于LED工作电压。
d、供电不太方便,一般要配开关稳压电源,不能直接用~220V供电。
输入整流:将正负变化的交流电变成单向变化的直流电
滤波:将变化的电压波形平滑成波动较小的直流电压波形
变压器:储存能量,产生需要的输出电压.原、副边隔离。
输出稳压:稳定输出电压
取样反馈:将输出电压的变化反映到控制电路,以便采取相应的措施保证输出电压在规定的范围内
PWM+开关:控制电路,根据反馈回来的信号控制变压器储存能量的多少,从而保证输出的稳定
采用开关电源驱动的优点:效率高,一般可以做到80%~90%,输出电压、电流稳定。输出纹波小。且这种电路都有完善的保护措施,属高可靠性电源。
LED驱动电源使用中应注意的问题:
A. LED降额使用。
B. 使用线性恒流驱动器,特别注意其工作压差。
C. 隔离式开关恒流驱动器次级输出电源不宜悬空,负极应接地。
D.对开关恒流驱动器,要严格遵守:先接好LED灯,再接通驱动器电源的操作顺序。
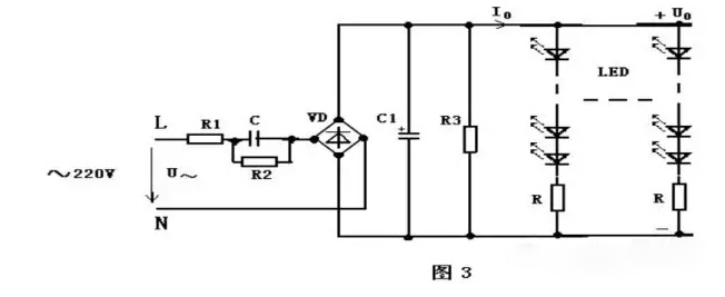
一般来说LED均采用直流驱动,因此在市电与LED之间需要加一个电源适配器即LED驱动电源,它的功能是把交流市电转换成适合LED的直流电,通常驱动LED采用专用恒流源或者驱动芯片,容易受体积和成本等因素的限制,最经济实用的方法就是采用电容降压式电源。
用它驱动小功率LED,具有不怕负载短路、电路简单等优点,而且一个电路能驱动1~70个小功率LED,但是,这种电源电路启动时的电流冲击,尤其是频繁启动,会给LED造成破坏,当然采取适当的保护便可避免这种冲击。
同类文章排行
- ap8022代换viper22a可兼容,不改PCB及外围
- 电源芯片sdh8302s可PIN脚代换VIPER12A/AP80
- 什么是MOS管的雪崩及mos管雪崩击穿原理!
- 常用dc-dc降压芯片推荐
- 国产91免费福利下载APP有哪些?
- sdh8303代换viper22a/AP8012H,PIN脚兼容无
- PN555L内置690V小功率非隔离芯片可替PN8008
- IR4427替换芯片ID1127双低侧、大电流驱动,
- 常用低压mos管型号及选型!
- ob2269替代芯片CR6842成本低,性能更稳定!
阿里巴巴店铺
关注91免费福利网站
收藏91免费福利网站

