启达启臣微CR1252A可代替ncp1252A芯片
字号:T|T
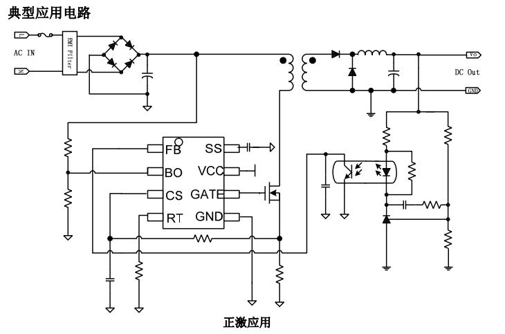
启达启臣微CR1252A是一款应用于 PC 设备和适配器市场的高性能驱动电源芯片,采用SOP封装,管脚和功能与ON/安森美NCP1252A基本一致,可兼容代替ncp1252A芯片,广泛应用于PC电源、游戏机适配器、正激转换器等领域。

CR1252A应用描述
启动机制:当 VCC 引脚达到 VCC_ON电平时,启动机制被激活。 一旦启动机制被激活,内部延迟定时器 SSdelay运行。只有经过内部延迟后,并且 BO 引脚电平高于 VBO电平,则可以允许软启动。 如果达到 BO 引脚阈值,或者一旦达到此电平,则允许软启动。 当允许软启动时,SS 引脚的电流源将对 SS 引脚上的外接电容充电。 SS 引脚的电压变化除以 4,在 CS 引脚上产生相同的峰值电流变化。
软启动:SS 引脚通过外接电容实现软启动,内部恒流源对该电容进行充电。SS 引脚电压上升的电压除以 4 可控制 CS 引脚上检测到的峰值电流。 因此,一旦 CS 引脚电压变得高于 SS 引脚电压除以 4,芯片输出 GATE 将会发出关断外置功率管信号。
线电压欠压保护:线电压欠压保护通过监控 BO 引脚上的电平,控制器可以保护正转换器免受低输入电压条件的影响。 当 BO 引脚电平低于 VBO电平时,控制器停止脉冲,直到输入电平恢复正常,并通过新的软启动顺序恢复运行。欠压比较器具有固定的比较电压(VBO)。当 BO 引脚低于内部电压(VBO)时,通过使用连接在 BO 引脚和地之间的内部电流实现迟滞。
输出过载保护:当 CS 引脚电平在 1 V 达到最大电平时,则检测到输出短路或过载情况。在这种情况下,该状态存储在锁存器中,允许数字定时器计数。如果数字定时器结束,则过载保护锁定,并且控制器停止驱动器引脚上的脉冲。
如果在过载保护数字计时器计时完成之前退出了该保护状态,在没有检测到过载保护的状态下,过载保护计时器仅在 3 个切换控制器周期后复位(或至少 3 个切换周期内 CS 引脚<1 V 时)。如果检测到输出过载保护,当检测到 BO 复位或者 VCC 下降到到 VCC_OFF时,控制器可以被复位。其过载保护计时器设置为 15 ms。
斜坡补偿:斜坡补偿是一种防止次谐波振荡的方法。当驱动器工作在连续导通模式(CCM)且占空比接近 50%以上时容易发生次谐波振荡。 为了防止该次谐波振荡,通常采用斜坡补偿的方式来降低电流环路增益,从而阻止次谐波振荡的发生。斜坡补偿电压从振荡器得到,放置在缓冲内部振荡器和 Rramp 之间的开关在 GATE 信号关断期间断开。
ncp1252a代换芯片CR1252A采用电流模式控制反馈,具有峰值电流限制、内部工作频率可调,最高可达500kHz ,内置频率抖动优化EMI、软启动 、输入欠压自动恢复、LEB前沿消隐功能、斜波补偿等,保护功能齐全,使系统工作更安全。
同类文章排行
- ap8022代换viper22a可兼容,不改PCB及外围
- 电源芯片sdh8302s可PIN脚代换VIPER12A/AP80
- 什么是MOS管的雪崩及mos管雪崩击穿原理!
- 常用dc-dc降压芯片推荐
- 国产91免费福利下载APP有哪些?
- sdh8303代换viper22a/AP8012H,PIN脚兼容无
- PN555L内置690V小功率非隔离芯片可替PN8008
- IR4427替换芯片ID1127双低侧、大电流驱动,
- 常用低压mos管型号及选型!
- ob2269替代芯片CR6842成本低,性能更稳定!
阿里巴巴店铺
关注91免费福利网站
收藏91免费福利网站

