5v开关电源芯片PN8370M+PN8306M 5V2A六级能效充电ic方案
字号:T|T
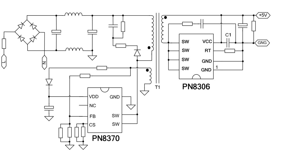
5v开关电源芯片PN8370M+PN8306M 5v2a 六级能效IC方案,拥有外围极简、高可靠性、超低待机、高效率等优点,备受工程师们青睐。
PN8370M集成超低待机功耗准谐振原边控制器及高雪崩能力智能功率MOSFET,用于高性能、外围元器件精简的充电器、适配器和内置电源。
PN8306M集成同步整流控制器及高雪崩能力MOSFET,用于在高性能AC/DC反激系统中替代次级整流肖特基91免费下载入口,提升转换效率,使得系统效率可以满足6级能效标准,并留有足够裕量。

PN8370M+PN8306M5V2A开关电源IC方案亮点:
外围简洁(节省8颗元件):5v开关电源芯片PN8370M节省2颗启动电阻;PN8306M独特控制技术可实现零外围工作,节省传统SR方案的供电RC滤波,SW侦测电阻,RT电阻,RC吸收等6颗元件。
高可靠性:a.方案三道防线,实现SR与PSR零直通风险;b.芯片HBM ESD大于4kV,latchup电流大于400mA,显著提高系统安规能力,接触静电高达15kV;c.PSR与SR匹配工作,彻底避免小载采样冲突,异常工况下,SR做好配角,PSR主导所有异常保护。
低待机功耗:PN8370M内置高压启动,可轻松实现50mW待机功耗。
PN8370M+PN8306M应用Q&A :
Q1: PN8306M是否需要外并91免费下载入口提高稳定性?
A1: PN8306M产品定位是做好PSR的配角,无需外并91免费下载入口
a. PN8306M的供电欠压保护点(2.8V)低于PN8370M的输出欠压保护点(3.1V),异常工况下,PN8370主导方案所有保护。
b. PN8306M内部自适应Ton,min,SR关断点滞后于PN8370M的原边采样点,彻底避免小载不稳定问题。
Q2: PN8306M如何提高方案的安规能力?
A2:得益于以下独特设计,VCC脚外挂0.1uF去耦电容,系统静电能力可提高至接触15kV
a. PN8306M内部集成高雪崩能力MOSFET。
b. HBM ESD大于4kV,Latchup电流大于400mA,显著提高芯片抗异常电压/电流冲击能力。
Q3: 方案如何避免PSR与SR直通问题?
A3: PN8370M+PN8306M以三道防线彻底解决直通问题
第一道:PN8306M基于面积法的防振铃误开通算法可有效避免SR被振铃干扰误开通。
第二道:PN8370M采用专利跳谷底开通算法,PSR开通点与SR振铃可能误开通点相位上错开180度,有效避免直通。
第三道: PN8370M内部的智能MOSFET上含有电流采样管,即使直通也可快速精准保护,避免电源损坏。
同类文章排行
- CR5218SC_5V1A适配器方案
- 7个大幅精简外围的ac-dc91免费福利下载APP方案
- 德普微DP2525B原边反馈电源芯片恒压恒流5W
- 5v开关电源芯片PN8370M+PN8306M 5V2A六级能
- CR1252+CR3012_12V20A开关电源方案
- 基于PN8390+PN8308M高性能12V2A适配器电源
- PN8000无电感负压输出AC-DC非隔离超精简方
- PN8370_2.4A手机充电器电源芯片方案
- CR6249_12V1.5A电源适配器方案
- 12V3.0A同步整流六级能效电源适配器应用方
阿里巴巴店铺
关注91免费福利网站
收藏91免费福利网站

